HMC533
采用SMT封装的VCO,提供16分频,23.8 - 24.8 GHz
制造商:ADI/AD
产品信息
优势和特点
Pout: +12 dBm
相位噪声: 典型值为-95 dBc/Hz(100 KHz)
无需外部谐振器
单电源:+5V (220 mA)
QFN无引脚SMT封装,16 mm²
产品详情
HMC533LP4(E)是一款GaAs InGaP异质结双极性晶体管(HBT) MMIC VCO。 HMC533LP4(E)集成了谐振器、负电阻器件和变容二极管,可提供16分频输出。 由于振荡器的单芯片结构,该VCO的相位噪声性能在不同的温度、冲击和工艺条件下均非常出色。 采用+5V电源电压时,输出功率为+12 dBm(典型值)。 如果不需要,可以禁用预分频器功能以节省电流。 该电压控制振荡器采用无引脚QFN 4x4 mm表贴封装。
应用
VSAT无线电
点对点/多点无线电
测试设备和工业控制
军事最终用途
汽车雷达
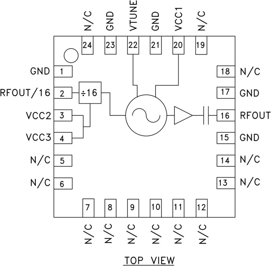
电路图、引脚图和封装图
应用案例
探索HMC374/HMC374E低噪声放大器:高性能与紧凑设计的完美结合
2026-01-01
HMC-APH518功率放大器
2022-04-06
HMC533LP4/533LP4E采用SMT封装的VCO,提供16分频,23.8-24.8G
2025-04-30
HMC-ALH435 低噪声放大器芯片,5 - 20 GHz 产品性能浅谈
2021-12-16
HMC-ALH444 产品详情浅谈
2021-11-29
采用砷化镓(GaAs)工艺制造的HMC232A
2023-02-01
HMC773A通用型双平衡混频器
2022-11-08
基于BF533核心处理器和EP1C6Q240芯片实现智能车载终端的应用方案
2021-03-31

