HMC531
采用SMT封装的VCO,具有Fo/2,提供4分频,13.6 - 14.9 GHz
制造商:ADI/AD
产品信息
优势和特点
双路输出: Fo = 13.6 - 14.9 GHz Fo/2 = 6.8 - 7.45 GHz
Pout: +7 dBm
相位噪声: 典型值为-110 dBc/Hz(100 kHz)
无需外部谐振器
QFN无引脚SMT封装,25 mm²
产品详情
HMC531LP5(E)是一款GaAs InGaP异质结双极性晶体管(HBT) MMIC VCO。 HMC531LP5(E)集成了谐振器、负电阻器件和变容二极管,可输出半频,并提供4分频输出。 由于振荡器的单芯片结构,VCO的相位噪声性能在温度、冲击和工艺条件下均非常出色。 采用+5V电源电压时,输出功率为+7 dBm(典型值)。 如果不需要,可以禁用预分频器功能以节省电流。 该电压控制振荡器采用无引脚QFN 5x5 mm表贴封装,无需外部匹配元件。
应用
VSAT无线电
点对点/多点无线电
测试设备和工业控制
军事最终用途
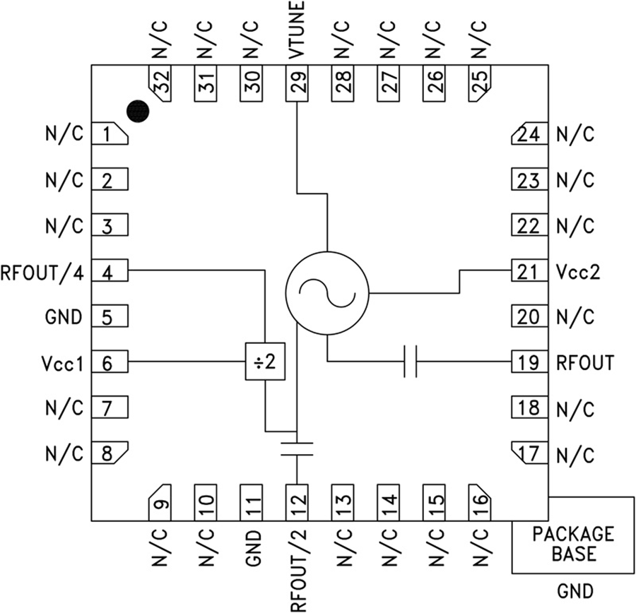
电路图、引脚图和封装图
应用案例
探索 HMC652LP2E - HMC655LP2E 宽带固定衰减器家族
2026-03-05
计讯物联地灾行业应用终端TN531系列GNSS接收机地质灾害监测解决方案
2022-12-28
计讯物联地灾行业应用终端TN531系列GNSS接收机地质灾害监测解决方案
2022-12-28
HMC-APH518功率放大器
2022-04-06
HMC906A功率放大器
2022-04-06
HMC-ALH435 低噪声放大器芯片,5 - 20 GHz 产品性能浅谈
2021-12-16
HMC-ALH445-DIE 低噪声放大器芯片,18 - 40 GHz 产品详情
2021-11-29
HMC-ALH444 产品详情浅谈
2021-11-29

