HMC530
采用SMT封装的VCO,具有Fo/2,提供4分频,9.5 - 10.8 GHz
制造商:ADI/AD
产品信息
优势和特点
三路输出:Fo= 9.5 - 10.8 GHz Fo/2= 4.75 - 5.4 GHz Fo/4= 2.38 - 2.7 GHz
Pout: +11 dBm
相位噪声: 典型值为-110 dBc/Hz(100 kHz)
无需外部谐振器
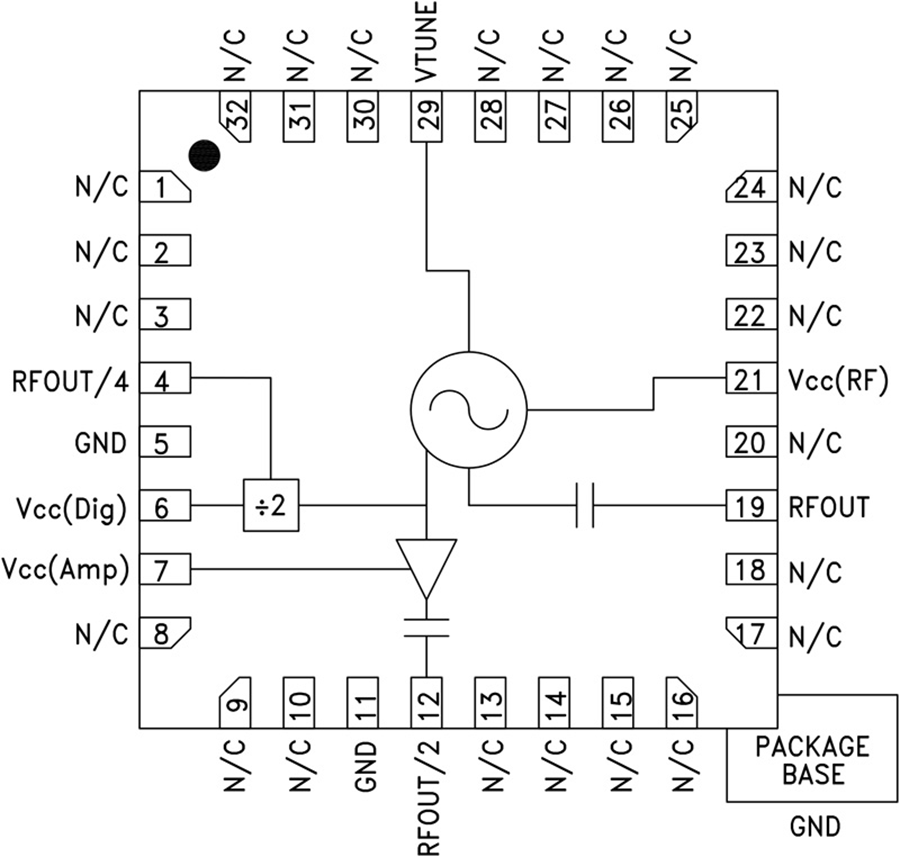
QFN无引脚SMT封装,25 mm²
产品详情
HMC530LP5(E)是一款GaAs InGaP异质结双极性晶体管(HBT) MMIC VCO。 HMC530LP5(E)集成了谐振器、负电阻器件和变容二极管,可输出半频,并提供4分频输出。 由于振荡器的单芯片结构,VCO的相位噪声性能在温度、冲击和工艺条件下尤为出色。 采用+5V电源电压时,输出功率为+11 dBm(典型值)。 如果不需要,可以禁用预分频器和RF/2功能以节省电流。 该电压控制振荡器采用无引脚QFN 5x5 mm表贴封装,无需外部匹配元件。
应用
点对点无线电
点对多点无线电
测试设备和工业控制
卫星通信
军事最终用途

