HMC529
采用SMT封装的VCO,具有Fo/2,提供4分频,12.4 - 13.4 GHz
制造商:ADI/AD
产品信息
优势和特点
双路输出:Fo = 12.4 - 13.4 GHz Fo/2 = 6.2 - 6.7 GHz
Pout: +8 dBm
相位噪声:典型值为-110 dBc/Hz(100 kHz)
无需外部谐振器
QFN无引脚SMT封装,25 mm²
产品详情
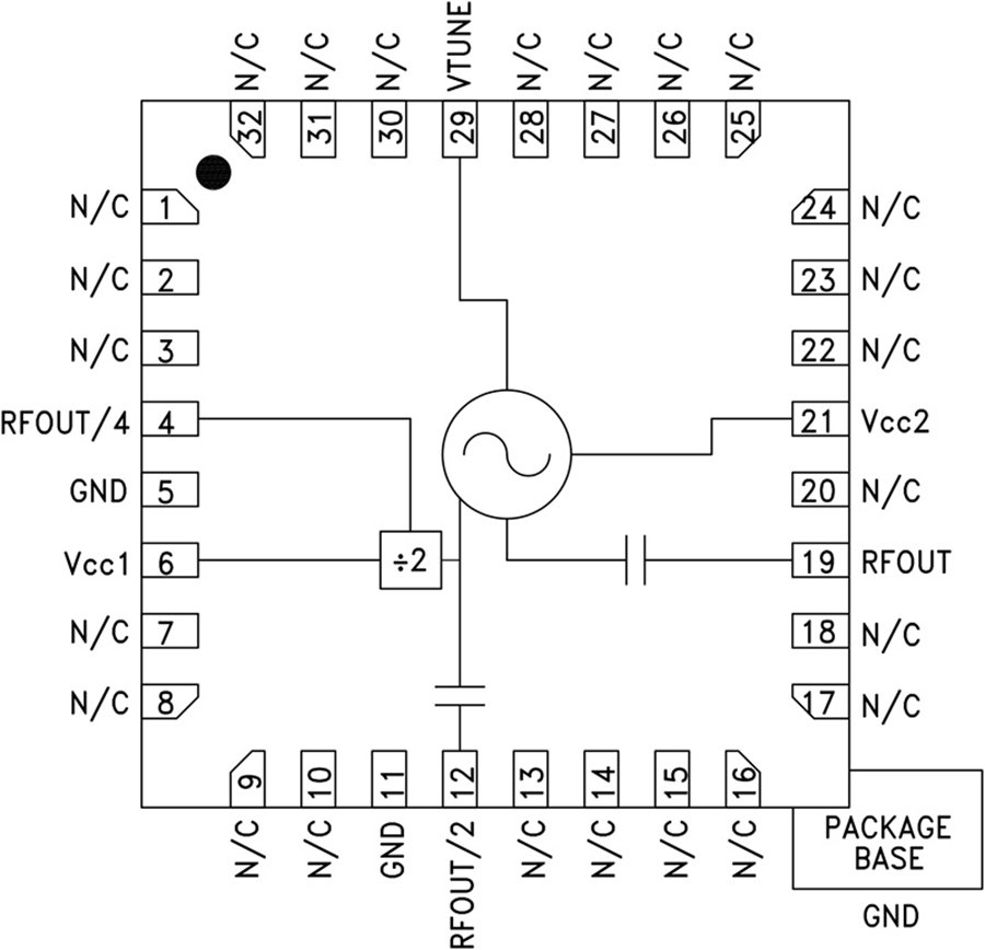
HMC529LP5(E)是一款GaAs InGaP异质结双极性晶体管(HBT) MMIC VCO。 HMC529LP5(E)集成了谐振器、负电阻器件和变容二极管,可输出半频,并提供4分频输出。 由于振荡器的单芯片结构,VCO的相位噪声性能在温度、冲击和工艺条件下均非常出色。 采用+5V电源电压时,输出功率为+8 dBm(典型值)。 如果不需要,可以禁用预分频器功能以节省电流。 该电压控制振荡器采用无引脚QFN 5x5 mm表贴封装,无需外部匹配元件。
应用
VSAT无线电
点对点/多点无线电
测试设备和工业控制
军事最终用途
电路图、引脚图和封装图
应用案例
MAX5290-MAX5295,MAX5580-MAX558
2009-05-07
AD5291/AD5292 具有业界最佳电阻容差的数字电位计
2008-09-16
探索HMC591LP5/HMC591LP5E:6.0 - 9.5 GHz GaAs PHEM
2026-01-04
ADS5294在医疗影像中的应用
2011-12-23
探索HMC462LP5/HMC462LP5E:2 - 20 GHz宽带低噪声放大器
2026-01-04
神舟Z7M搭载GTX965m独显仅5299元
2016-12-01
探索HMC454ST89/HMC454ST89E:高性能InGaP HBT放大器的卓越表现
2026-01-04
基于数字电位计AD5292的30V低成本DAC设计
2010-11-02

