HMC521A
GaAs MMIC I/Q混频器8.5 - 13.5 GHz
制造商:ADI/AD
产品信息
优势和特点
宽IF带宽: DC - 3.5 GHz
镜像抑制: 38 dB
LO至RF隔离: 50 dB
高输入IP3: +23 dBm
24引脚4x4mm SMT封装: 16mm²
产品详情
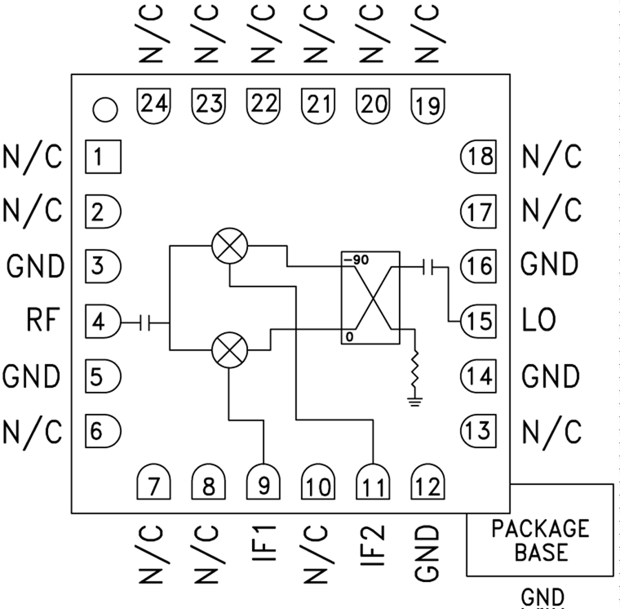
HMC521ALC4是一款紧凑型I/Q MMIC混频器,采用符合RoHS标准的无引脚“无铅”SMT封装,可用作镜像抑制混频器或单边带上变频器。 该混频器采用两个标准Hittite双平衡混频器单元和一个90度混合器件,均采用GaAs MESFET工艺制造。 低频正交混合器件用于产生100 MHz USB IF输出。 该产品为混合型镜像抑制混频器和单边带上变频器组件的小型替代器件。 HMC521ALC4无需线焊,可以使用表贴制造技术。
应用
点对点无线电
点对多点无线电
军用雷达
电路图、引脚图和封装图
在线购买
型号:HMC521ALC4
描述:-
应用案例
HMC521ALC4 GaAs MMIC I/Q混频器8.5-13.5GHz技术手册
2025-03-26
运动控制核芯片HMC8043A、HMC8045A性能特点及适用领域
2021-03-09
【新品推送-Ci520/Ci521】 兼容Si522/Si523的超高性价比解决方案
2022-08-30
基于HMC1022和HMC1021三轴磁阻传感器模块设计
2009-06-25
【新品推送-Ci520/Ci521】 兼容Si522/Si523的超高性价比解决方案
2022-08-30
hmc5883l的特点及优点_HMC5883L磁力计校准方法
2009-06-25
hmc5883l三轴电子罗盘传感器连接arduino
2009-06-25
hmc5883l倾角校准与角度公式
2009-06-25

