HMC512
采用SMT封装的VCO,具有Fo/2,提供4分频,9.6 - 10.8 GHz
制造商:ADI/AD
产品信息
优势和特点
三路输出: Fo= 9.6 - 10.8 GHz Fo/2= 4.8 - 5.4 GHz Fo/4= 2.4 - 2.7 GHz
Pout: +9 dBm
相位噪声: 典型值为-110 dBc/Hz(100 kHz)
无需外部谐振器
QFN无引脚SMT封装,25 mm²
产品详情
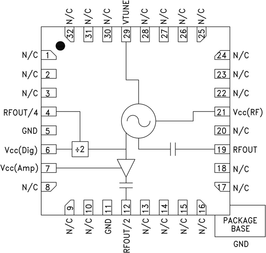
HMC512LP5(E)是一款GaAs InGaP异质结双极性晶体管(HBT) MMIC VCO。 HMC512LP5(E)集成了谐振器、负电阻器件和变容二极管,可输出半频,并提供4分频输出。 由于振荡器的单芯片结构,VCO的相位噪声性能在温度、冲击和工艺条件下尤为出色。 采用+5V电源电压时,输出功率为+9 dBm(典型值)。 如果不需要,可以禁用预分频器和RF/2功能以节省电流。 该电压控制振荡器采用无引脚QFN 5x5 mm表贴封装,无需外部匹配元件。
应用
点对点无线电
点对多点无线电
测试设备和工业控制
卫星通信
军事最终用途
电路图、引脚图和封装图
应用案例
HMC7748超高动态范围宽带PA模块的特点及应用
2019-06-06
铁电存储器SF24C512替换MB85RS512/FM25V2025-02-07
DMX512协议是什么 DMX512数字灯光控制系统介绍
2016-09-14
dmx512系统是如何使用的?dmx512系统连接方法介绍
2017-12-06
DMX512控制器说明及介绍,DMX512控制器使用说明
2017-12-07
DMX512控制器接线,DMX512接线注意事项
2017-11-12
dmx512解码器怎么接线?dmx512解码器接线图
2017-12-07
三星512GB嵌入式通用闪存量产,采用64层512Gb V-NAND电路设计和电源管理技术
2018-07-10

