HMC511
集成Fo/2的VCO SMT,9.05 - 10.15 GHz
制造商:ADI/AD
产品信息
优势和特点
双通道输出: Fo = 9.05 - 10.15 GHzFo/2 = 4.525 - 5.075 GHz
Pout: +13 dBm
相位噪声: -115 dBc/Hz(100 kHz,典型值)
无需外部谐振器
QFN无引脚SMT封装,25 mm²
产品详情
HMC511LP5(E)是一款GaAs InGaP异质结双极性晶体管(HBT) MMIC VCO。 该器件集成谐振器、负电阻器件和变容二极管,具有半频输出。 由于振荡器的单芯片结构,VCO的相位噪声性能在温度、冲击和工艺条件下尤为出色。 采用+5V电源电压时,功率输出典型值为+13 dBm。 该电压控制振荡器采用QFN 5x5 mm无引脚表面贴装封装,无需外部匹配元件。
应用
VSAT无线电
点对点/多点无线电
测试设备和工业控制
军用最终用途
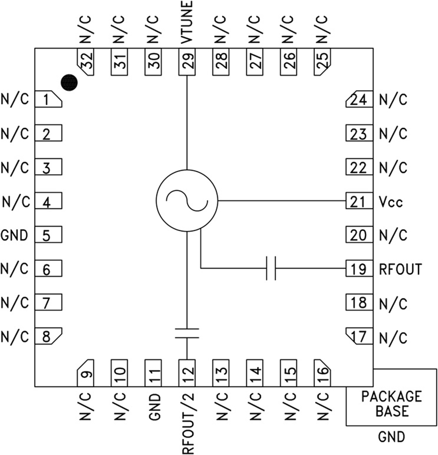
电路图、引脚图和封装图
应用案例
FH511大电流红外遥控+按键换段定时灯串PCBA方案
2023-03-18
开发指南|Modbus产品快速接入机智云(GC511 版)
2022-10-29
Silicon Labs推出其新一代高性能MCU蓝牙模组HCM511S
2024-04-19
HMC511LP5/511LP5E具有半频输出的单片微波集成电路压控振荡器技术手册
2025-04-30
申克 511RBTU 平衡机:新能源汽车电机转子生产的 “平衡大师”
2025-08-20
Flex电源模块推出新产品BMR511,适用于AI应用的VRM功率级选择
2023-07-11
FH511大电流红外遥控+按键换段定时灯串PCBA方案
2023-03-18
开发指南|Modbus产品快速接入机智云(GC511 版)
2022-11-01

