HMC510
采用SMT封装的VCO,具有Fo/2和4分频,8.45 - 9.55 GHz
制造商:ADI/AD
产品信息
优势和特点
双路输出:Fo = 8.45 - 9.55 GHz Fo/2 = 4.225 - 4.775 GHz
Pout: +13 dBm
相位噪声: 典型值为-116 dBc/Hz(100 kHz)
无需外部谐振器
QFN无引脚SMT封装,25 mm²
产品详情
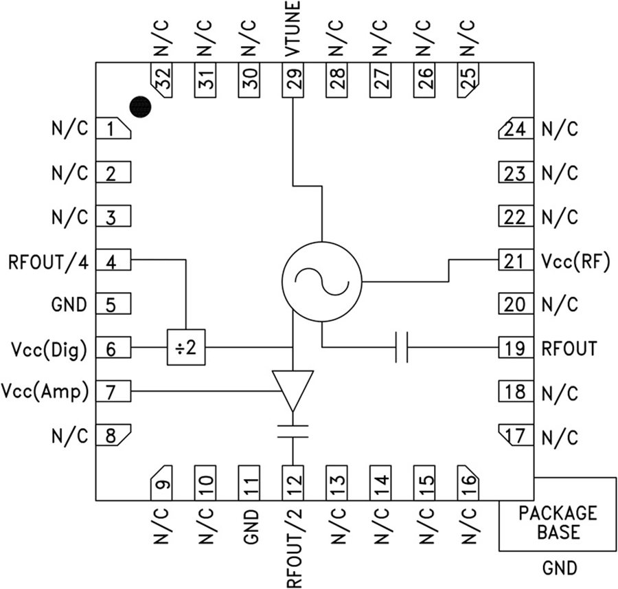
HMC510LP5(E)是一款GaAs InGaP异质结双极性晶体管(HBT) MMIC VCO。 HMC510LP5(E)集成了谐振器、负电阻器件和变容二极管,可输出半频,并提供4分频输出。 由于振荡器的单芯片结构,VCO的相位噪声性能在温度、冲击和工艺条件下均非常出色。 采用+5V电源电压时,输出功率为+13 dBm(典型值)。 如果不需要,可以禁用预分频器和RF/2功能以节省电流。 该电压控制振荡器采用无引脚QFN 5x5 mm表贴封装,无需外部匹配元件。
应用
点对点/多点无线电
测试设备和工业控制
卫星通信
军事最终用途
电路图、引脚图和封装图
应用案例
HMC-ALH444 产品详情浅谈
2021-11-29
兴达易控Modbus转Profinet 网关连接 ACS510 变频器配置案例
2023-03-10
合宙新品Air510U定位模组,支持北斗/GPS双模卫星定位
2023-03-02
ss510二极管介绍_ss510二极管参数资料分享
2018-01-05
470-510MHz民用计量频段新限定 LoRa企业积极应对
2018-02-10
宝骏510一款手动挡车竟月销三万,顶配才8万!配置齐全,哈弗H6颤抖了
2017-07-05
宝骏510详细配置曝光 将明年2月上市
2016-12-28
LIFAirLA510空气净化器评测 功能全面风道设计合理
2019-04-10

