HMC509
采用SMT封装的VCO,具有Fo/2,7.8 - 8.8 GHz
制造商:ADI/AD
产品信息
优势和特点
双路输出:Fo = 7.8 - 8.8 GHz Fo/2 = 3.9 - 4.4 GHz
Pout: +13 dBm
相位噪声: 典型值为-115 dBc/Hz(100 kHz)。
无需外部谐振器
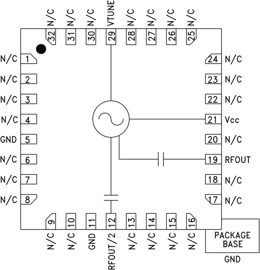
QFN无引脚SMT封装,25 mm²
产品详情
HMC509LP5(E)是一款GaAs InGaP异质结双极性晶体管(HBT) MMIC VCO。 HMC509LP5(E)集成了谐振器、负电阻器件和变容二极管,可输出半频。 由于振荡器的单芯片结构,VCO的相位噪声性能在温度、冲击和工艺条件下均非常出色。 采用+5V电源时,输出功率为+13 dBm(典型值)。 该电压控制振荡器采用无引脚QFN 5x5 mm表贴封装,无需外部匹配元件。
应用
VSAT 无线电
点对点/多点无线电
测试设备和工业控制
军事最终用途

