HMC505
采用SMT封装的VCO,带有缓冲放大器,6.8 - 7.4 GHz
制造商:ADI/AD
产品信息
优势和特点
Pout: +11dBm
相位噪声:-106 dBc/Hz @100 kHz
无需外部谐振器
单电源:+3V (80 mA)
QFN无引脚SMT封装,16mm²
产品详情
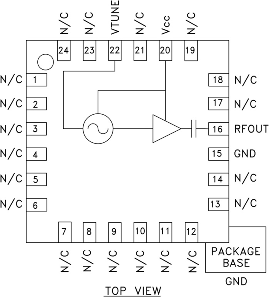
HMC505LP4(E)是一款GaAs InGaP异质结双极性晶体管(HBT) MMIC VCO,带有集成谐振器、负电阻器件、变容二极管、缓冲放大器。 该VCO在6.8至7.4 GHz的频率下工作,由于振荡器的单芯片结构,其相位噪声性能在不同的温度、冲击、振动条件下均非常出色。 功率输出为+11 dBm(典型值),采用+3V单电源,功耗80 mA。 该电压控制振荡器采用无引脚QFN 4x4 mm表贴封装。
应用
VSAT和微波无线电
测试设备和工业控制
军事
电路图、引脚图和封装图
应用案例
索尼NW-ZX505音乐播放器评测,音质更加偏向均衡
2020-03-27
FTS505手持式光时域反射计的性能特点及应用
2021-03-04
TP505尘埃粒子计数器,业内首款在线式一机多测仪表
2021-12-15
采用ACRl505型运动控制卡实现机械自动封装系统的设计
2020-04-25
HMC-ALH444 产品详情浅谈
2021-11-29
基于ACRl505型运动控制卡实现自动封装运动控制系统的设计
2020-04-25
APT黑客TA505组织新添恶意软件AndroMut,预计在今夏活跃
2019-07-09
HMC505LP4/505LP4E采用SMT封装的VCO,带有缓冲放大器,6.8-7.4GH
2025-04-30

