HMC500
HBT矢量调制器,采用SMT封装,1.8 - 2.2 GHz
制造商:ADI/AD
产品信息
优势和特点
连续相位控制: 360°
连续增益: 40 dB控制
输出噪底: -162 dBm/Hz
输入IP3: +33 dBm
3x3 mm QFN塑料封装
产品详情
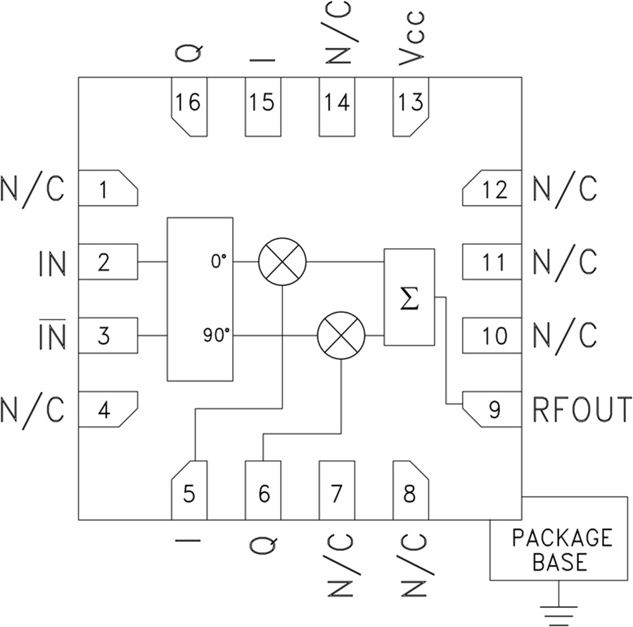
HMC500LP3(E)是一款高动态范围的矢量调制器RFIC,用于RF预失真和前馈消除电路,以及RF消除和波束成形幅度/相位校正电路。 可以使用HMC500LP3(E)的I/Q端口,持续改变RF信号的相位和幅度,最多分别达到360度和40 dB,同时支持150 MHz的3 dB调制带宽。 该器件的输入IP3为+33 dBm,输入噪底为-152 dBm/Hz(在-10 dB的最大增益设置下),输入IP3/噪底比率为185 dB。
应用
无线基础设施HPA和MCPA错误校正
预失真或前馈线性化
PCS、GSM和W-CDMA系统
波束成形或RF消除电路

