HMC494
使用InGaP HBT技术,8分频,采用SMT封装,DC - 18 GHz
制造商:ADI/AD
产品信息
优势和特点
超低SSB相位噪声:-150 dBc/Hz
很宽的带宽
输出功率: -4 dBm
单直流电源: +5V
3x3 mm QFN封装
产品详情
HMC494LP3(E)是一款低噪声8分频静态分频器,使用InGaP GaAs HBT技术,采用无引脚3x3 mm QFN表面贴装塑料封装。 此器件在DC(使用方波输入)至18 GHz的输入频率下工作,使用+5V DC单电源。 100 kHz偏置时的低加性SSB相位噪声为-150 dBc/Hz,有助于用户保持良好的系统噪声性能。
应用
点对点/多点无线电
VSAT无线电
光纤产品
测试设备
军事
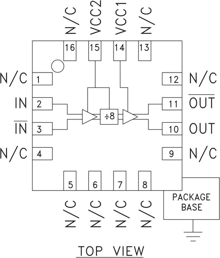
电路图、引脚图和封装图
应用案例
TL494(TL494CN)+NE555+7812组成的电源
2009-10-17
TL494检测方法和TL494各脚电压值介绍
2017-12-06
TL494在电动助力车控制中的应用(TL494工作原理和引脚功能)
2017-12-06
TL494推挽式输出的电路设计(基于TL494的H桥直流电机控制系统)
2017-12-05
TL494制作12V大功率逆变电源,TL494 12V Power Inverter
2019-02-09
用于电子管功放的TL494 升压稳压电源,tl494 boost power converter
2018-09-21
tl494详解(特性、封装、内部电路方框图)
2017-11-09
TL494工作原理图解(引脚功能_内部结构_参数及开关电源电路)
2017-12-06

