HMC493
使用InGaP HBT技术,4分频,采用SMT封装,DC - 18 GHz
制造商:ADI/AD
产品信息
优势和特点
超低SSB相位噪声: -150 dBc/Hz
很宽的带宽
输出功率: -4 dBm
单直流电源: +5V
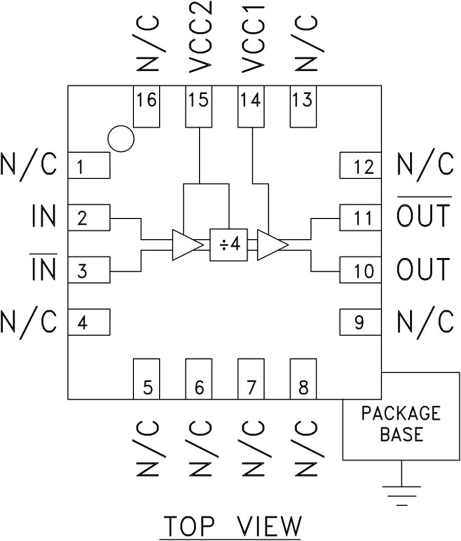
3x3 mm QFN SMT Package
产品详情
HMC493LP3(E)是一款低噪声4分频静态分频器,使用InGaP GaAs HBT技术,采用无引脚3x3 mm QFN表面贴装塑料封装。 此器件在DC(使用方波输入)至18 GHz的输入频率下工作,使用+5.0V DC单电源。 100 kHz偏置时的低加性SSB相位噪声为-150 dBc/Hz,有助于用户保持良好的系统噪声性能。
应用
点对点/多点无线电
VSAT无线电
光纤产品
测试设备
军事

