HMC492
InGaP HBT Divide-by-2 SMT, DC - 18 GHz
制造商:ADI/AD
产品信息
优势和特点
Ultra Low SSB Phase Noise: -150 dBc/Hz
Very Wide Bandwidth
Output Power: -4 dBm
Single DC Supply: +5V
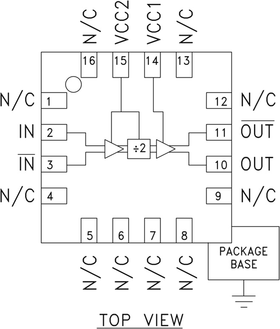
3x3 mm QFN SMT Package
产品详情
The HMC492LP3(E) is a low noise Divide-by-2 Static Divider utilizing InGaP GaAs HBT technology packaged in leadless 3x3 mm QFN surface mount plastic package. This device operates from DC (with a square wave input) to 18 GHz input frequency from a single +5V DC supply. The low additive SSB phase noise of -150 dBc/Hz at 100 kHz offset helps the user maintain excellent system noise performance.
Applications
Point-to-Point / Multi-Point Radios
VSAT Radios
Fiber Optic
Test Equipment
Military

