HMC468A
1 dB LSB GaAs MMIC 3位数字正电压控制衰减器,DC - 6 GHz
制造商:ADI/AD
产品信息
优势和特点
1 dB LSB步进至7 dB
高IP3: +55 dBm
误码率:±0.25 dB(典型值)
每位单个控制线路
+5V单电源
3x3 mm SMT封装
产品详情
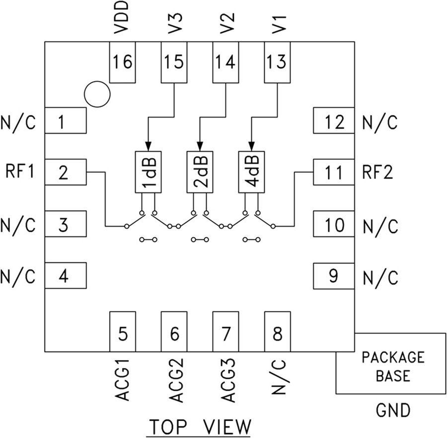
HMC468ALP3E是一款宽带3位GaAs IC数字衰减器,采用低成本无引脚表面贴装封装。 在DC到6.0 GHz频率下工作,插入损耗低于1 dB典型值,最高达到4 GHz。 衰减器位值为1 (LSB)、2和4 dB,总衰减为7 dB。 衰减精度非常高,典型步长误差为±0.4 dB,IIP3为+55 dBm。 三个控制电压输入在0和+5V之间切换,用于选择每个衰减状态。 需要+5V的单个Vdd偏置。
应用
蜂窝;UMTS/3G基础设施
固定无线和WLL
微波无线电和VSAT
测试设备
电路图、引脚图和封装图
应用案例
HMC383功率放大器
2022-04-06
HMC642A/HMC642LC5 6位数字移相器芯片和采用SMT封装技术手册
2025-04-09
单片微波集成电路同相正交混频器——HMC520A
2023-05-23
HMC804X系列精灵型可编程直流电源的产品特点及应用范围
2020-12-27
HMC998A GaAs pHEMT MMIC 2W功率放大器技术手册
2025-03-24
HMC6505A 5.5GHz到8.6GHz,GaAs,MMIC,I/Q升频器技术手册
2025-03-28
HMC520A 6GHz至10GHz、GaAs、MMIC、I/Q混频器技术手册
2025-03-28
HMC773A GaAs MMIC基波混频器,6-26GHz技术手册
2025-03-27

