HMC448LC3B
x2有源倍频器SMT,20 - 25 GHz
制造商:ADI/AD
产品信息
优势和特点
输出功率: +11 dBm
宽输入功率范围: -4至+6 dBm
Fo,3Fo隔离: >20 dBc(Fout = 20 GHz时) li>
100 KHz SSB相位噪声: -135 dBc/Hz
单电源: +5V (48 mA)
符合RoHS标准的3x3 mm SMT封装
产品详情
HMC448LC3B是一款使用GaAs PHEMT技术的x2有源宽带倍频器,采用符合RoHS标准的无引脚SMT封装。 由0 dBm信号驱动时,该倍频器在22至25 GHz范围内提供+11 dBm的典型输出功率。 在最高22 GHz的频率下,Fo和3Fo隔离大于20 dBc。 这款多速率倍频器可用于为40 Gbps系统生成半速率时钟,或者作为倍频链的一部分,生成全速率40 Gbps时钟。
HMC448LC3B非常适合在点对点和VSAT无线电的LO倍频链中使用,与传统方法相比,可以减少器件数量。 100 kHz偏置时的低加性SSB相位噪声为-135 dBc/Hz,有助于保持良好的系统噪声性能。 HMC448LC3B无需线焊,可以使用表贴制造技术。
应用
时钟生成应用: SONET OC-192和SDH STM-64
点对点和VSAT无线电
测试仪器仪表
Military & Space
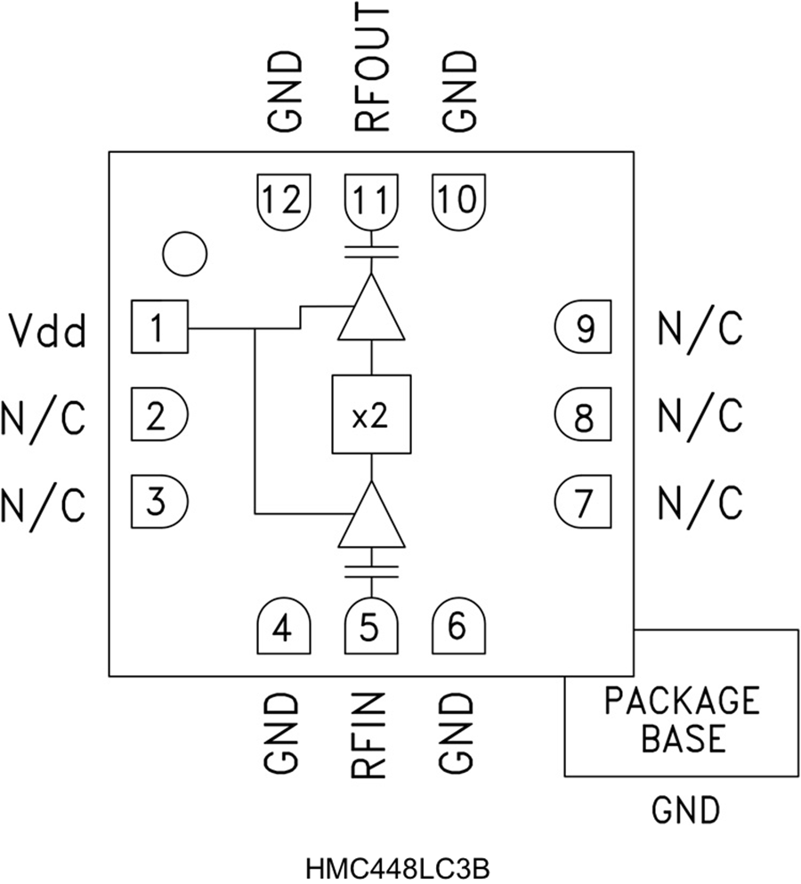
电路图、引脚图和封装图
应用案例
HMC260ALC3B GaAs MMIC基波混频器技术手册
2025-03-28
HMC342LC4低噪声放大器介绍
2023-04-19
HMC329ALC3B GaAs MMIC基波混频器,24-32GHz技术手册
2025-03-27
高速10 GHz窗口比较器HMC974LC3C:特性、应用与设计要点
2026-01-06
高速比较器HMC874LC3C:特性、应用与设计要点
2026-01-06
高速利器:HMC674LC3C/HMC674LP3E 9.3 GHz 锁存比较器深度剖析
2026-01-06
10 GHz 锁存比较器 HMC675LC3C:高速应用的理想之选
2026-01-06
LC低通滤波器原理及设计方法
2022-12-16

