HMC447
使用InGaP HBT技术,4分频,采用SMT封装,10 - 26 GHz
制造商:ADI/AD
产品信息
优势和特点
很宽的带宽
超低SSB相位噪声: -150 dBc/Hz
输出功率: -4 dBm
单直流电源: +5V
符合RoHS标准的3x3 mm SMT封装
产品详情
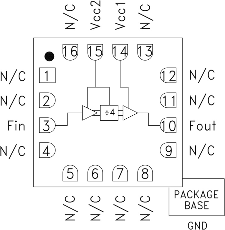
HMC447LC3是一款低噪声4分频再生分频器,采用InGaP GaAs HBT技术。 这款宽带分频器的工作输入频率为10到26 GHz,可接受极宽范围的输入功率水平。 HMC447LC3具有-150 dBc/Hz的极低SSB相位噪声(100 kHz偏置时),非常适合在高频锁相环(PLL)中使用,以及一个系统中需要基波和分频LO频率的本振(LO)分配应用。
这款功能全面的分频器使用单个+5V正电源,功耗仅为96 mA,在额定带宽条件下提供非常平坦的输出功率。 HMC447LC3采用符合RoHS标准的3x3 mm的无引脚SMT封装,具有裸露的接地焊盘。
应用
点对点/多点无线电
VSAT无线电
光纤产品
测试设备
军事
电路图、引脚图和封装图
应用案例
8位高性价比单片机EM78P447S的主要性能特点及应用
2021-03-22
HMC742ALP5E数控VGA
2022-05-06
HMC447LC3使用InGaP HBT技术,4分频,采用SMT封装技术手册
2025-04-18
HMC544AETR低成本SPDT交换机应用介绍
2023-05-31
基于HMC704LP4的一种X波段跳频源设计方案
2013-10-22
Han® ES Press HMC连接器能够无需工具即可进行快速安装
2018-12-06
HD44780读写单片机C51程序免费下载
2020-10-11
高速利器:HMC674LC3C/HMC674LP3E 9.3 GHz 锁存比较器深度剖析
2026-01-06

