HMC437
使用InGaP HBT技术,3分频,采用SMT封装,DC - 7 GHz
制造商:ADI/AD
产品信息
优势和特点
SSB相位噪声: -153 dBc/Hz(100KHz)
宽带宽
输出功率: -1 dBm
单直流电源: +5V (69 mA)
MS8G SMT封装
产品详情
HMC437MS8G(E)是一款低噪声3分频静态分频器,使用InGaP GaAs HBT技术,采用低成本8引脚表贴塑料封装。 此器件在DC(使用方波输入)至7 GHz的输入频率下工作,使用+5V DC单电源。 100 kHz偏置时的低加性SSB相位噪声为-153 dBc/Hz,有助于用户保持良好的系统噪声性能。
应用
UNII、点对点和VSAT无线电
802.11a和HiperLAN WLAN
光纤产品
蜂窝/3G基础设施
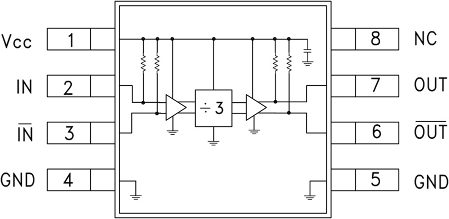
电路图、引脚图和封装图
应用案例
雅特力AT-SURF-F437全功能体验板,助力加速应用开发
2022-06-20
雅特力AT-SURF-F437全功能体验板,加速应用开发及产品量产
2022-06-18
雅特力AT-SURF-F437全功能体验板,加速应用开发及产品量产
2022-06-18
HMC437MS8G/437MS8GE使用InGaP HBT技术,3分频,采用SMT封装技术
2025-04-17
!!!HP437B HP437BRF功率计!小兵/雷'
2008-07-31
!租售/回收HP437B HP437B功率计HP437B 小
2008-11-19
!租售/回收! HP437B HP437B 功率计 HP43
2008-11-24
!租售/回收! HP437B HP437B 功率计 HP43
2008-11-29

