HMC424A
0.5 dB LSB GaAs MMIC 6位数字衰减器,DC - 13 GHz
制造商:ADI/AD
产品信息
优势和特点
0.5 dB LSB步进至31.5 dB
每位单个控制线路
误码率:±0.5 dB(典型值)
9mm²的无引脚SMT塑料封装
产品详情
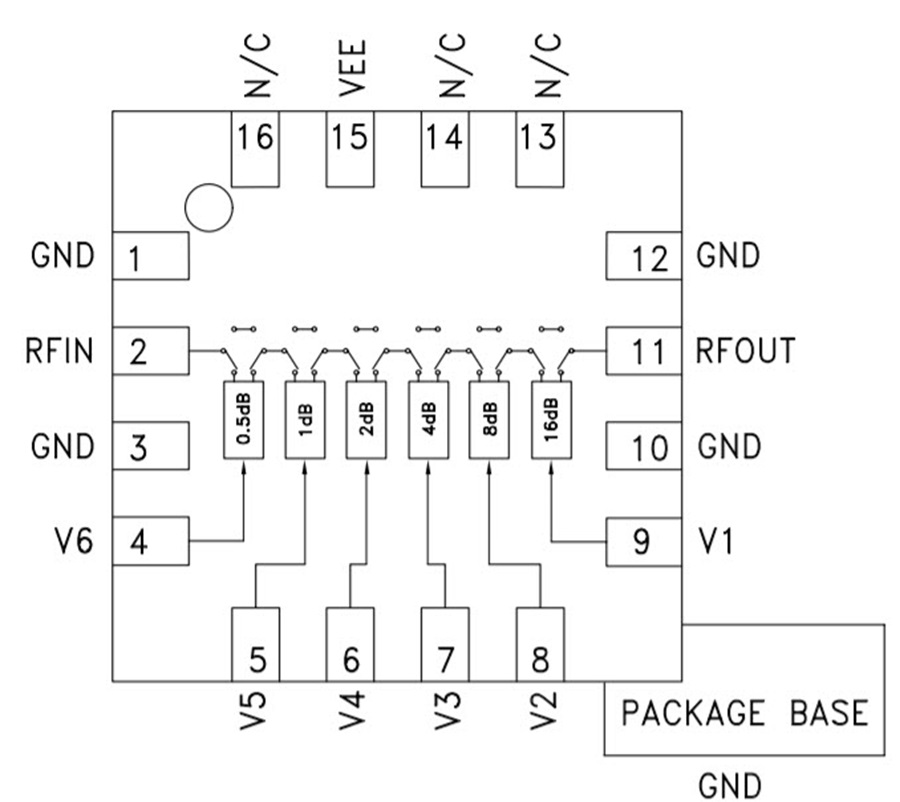
HMC424ALP3E是一款宽带6位GaAs IC数字衰减器,采用低成本无引脚表贴封装。 在从DC到13 GHz频率下运行,插入损耗低于4 dB典型值。 衰减器位值为0.5 (LSB)、1、2、4、8和16 dB,总衰减为31.5 dB。 衰减精度非常高,典型步长误差为± 0.5 dB,IIP3为+38 dBm。 六个控制电压输入,在0和-5V之间切换,用于选择每个衰减状态。 单个Vee偏置为-5V,允许在低至DC的频率下运行。
应用
基站基础设施
光纤和宽带通信
微波和VSAT无线电
军事和太空
测试仪器仪表
电路图、引脚图和封装图
应用案例
HMC773A通用型双平衡混频器
2022-11-08
HMC284AMS8GE非反射开关SMT介绍
2022-11-07
运动控制核芯片HMC8043A、HMC8045A性能特点及适用领域
2021-03-09
NAS设备铁威马F4-424是如何从市场中脱颖而出的
2024-07-19
HMC424ACHIPS 0.5 dB LSB GaAs MMIC 6位数字衰减器技术手册
2025-04-24
HMC7748超高动态范围宽带PA模块的特点及应用
2019-06-06
HMC424ALH5 0.5dB LSB GaAs MMIC 6位数字衰减器,DC-13GHz技术手册
2025-04-24
Han® ES Press HMC连接器能够无需工具即可进行快速安装
2018-12-06

