HMC416
集成缓冲放大器的VCO SMT,2.75 - 3.0 GHz
制造商:ADI/AD
产品信息
优势和特点
Pout: +4.5 dBm
相位噪声: -114 dBc/Hz (100 k Hz)
无需外部谐振器
单电源: 3V (37 mA)
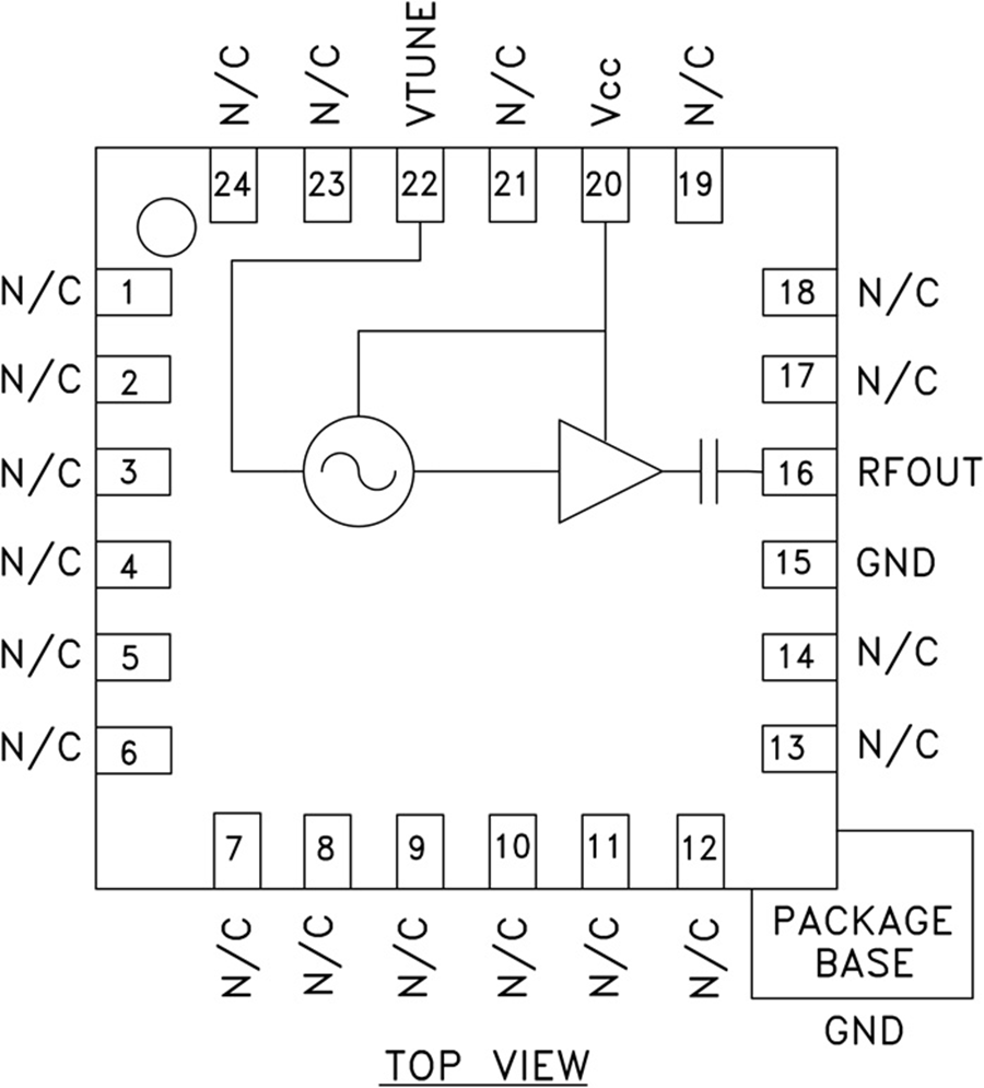
QFN无铅SMT封装,16 mm²
产品详情
HMC416LP4(E)是一款GaAs InGaP异质结双极性晶体管(HBT) MMIC VCO,集成谐振器、负电阻器件、变容二极管和缓冲放大器。 由于振荡器的单芯片结构,VCO的相位噪声性能在温度、冲击、振动和工艺范围内尤为出色,工作频率范围为2.75至3.0 GHz。 采用3V单电源(37 mA)时,输出功率为4.5 dBm(典型值)。 该电压控制振荡器采用低成本无铅QFN 4x4 mm表面贴装封装。
应用
无线基础设施
工业控制
测试设备
军事

