HMC394
可编程5位计数器SMT,DC - 2.2 GHz
制造商:ADI/AD
产品信息
优势和特点
SSB相位噪声: -153 dBc/Hz(100 kHz)
可选分频:2至32
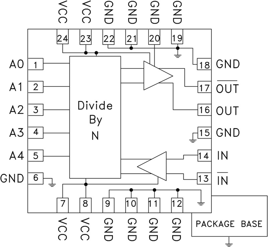
并行5位控制
宽输入功率范围: -20至+10 dBm
4x4 mm无铅SMT封装
产品详情
HMC394LP4(E)是一款低噪声GaAs HBT可编程5位计数器,采用4x4 mm无铅表面贴装封装。 在输入频率高达2.2 GHz时,该器件可在N为2至32范围进行连续分频。 输出电压摆幅为800 mV,占空比与N成反比。100 kHz失调时,该计数器的加性SSB相位噪声低至−153 dBc/Hz,非常适合低噪声频率合成器应用。
应用
卫星通信系统
点对点
点对多点无线电
LMDS
SONET

