HMC386
集成缓冲放大器的VCO SMT,2.6 - 2.8 GHz
制造商:ADI/AD
产品信息
优势和特点
Pout: +5 dBm
相位噪声: -114 dBc/Hz(100 kHz)
无需外部谐振器
单电源: +3V (35mA)
QFN无铅SMT封装,16 mm²
产品详情
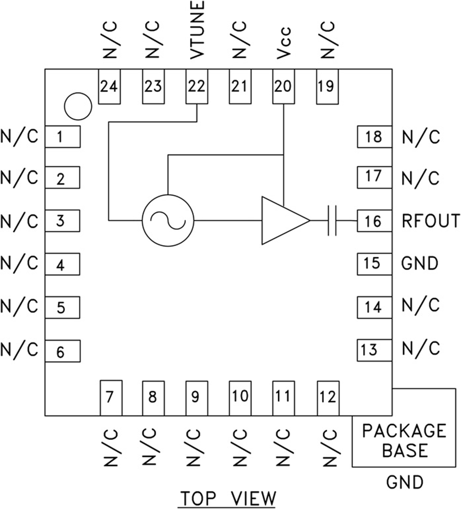
HMC386LP4(E)是一款GaAs InGaP异质结双极性晶体管(HBT) MMIC VCO,集成谐振器、负电阻器件、变容二极管和缓冲放大器。 由于振荡器的单芯片结构,VCO的相位噪声性能在温度、冲击、振动和工艺范围内尤为出色,工作频率范围为2.6至2.8 GHz。 采用3V单电源(35mA)时,输出功率为5 dBm(典型值)。 该电压控制振荡器采用低成本无铅QFN 4x4 mm表面贴装封装。
应用
无线基础设施
工业控制
测试设备
军事

