HMC369
x2有源倍频器SMT,9 - 16 GHz Fout
制造商:ADI/AD
产品信息
优势和特点
输出功率: +15 dBm
宽输入功率范围: 0至+10 dBm
100 kHz SSB相位噪声: -140 dBc/Hz
+5V(75 mA电源)
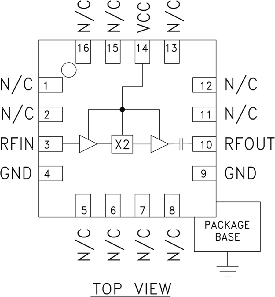
16 mm²无铅QFN SMT封装
产品详情
HMC369LP3(E)是一款采用InGaP GaAs HBT技术的有源微型x2倍频器,提供3x3 mm无引脚QFN表贴封装。 功率输出为+4 dBm(典型值),单电源电压为+5V,在不同的输入功率、温度和电源电压下变化很小。 在输出信号电平方面,对无用基波和次谐波的抑制为30 dBc(典型值)。
100 kHz偏置时的低加性SSB相位噪声为-142 dBc/Hz,有助于用户保持良好的系统噪声性能。 HMC369LP3(E)非常适合在LO倍频器链路中使用,与传统方法相比可以减少器件数量。 HMC369LP3(E)还用于OC-192时钟恢复。 输入端应用10 GBPS数据可在输出端产生-7 dBm时钟音,杂散信号抑制为25 dB。
应用
OC-192时钟恢复
微波无线电和VSAT
军用无线电、雷达和ECM
测试仪器仪表

