HMC362-DIE
InGaP HBT Divide-by-4 Chip, DC - 11 GHz
制造商:ADI/AD
产品信息
优势和特点
Ultra Low SSB Phase Noise:-149 dBc/Hz
Wide Bandwidth
Output Power: -6 dBm
Single DC Supply: +5V
Small Size: 1.30x 0.69 x 0.1 mm
产品详情
The HMC362 is a low noise Divide-by-4 Static Divider with InGaP GaAs HBT technology that has a small size of 1.30 x 0.69 mm. This device operates from DC (with a square wave input) to 11 GHz input frequency with a single +5V DC supply. The low additive SSB phase noise of -149 dBc/Hz at 100 kHz offset helps the user maintain good system noise performance.
Applications
Satellite Communication Systems
Fiber Optic
Point-to-Point Radios
Point-to-Multi-Point Radios
VSAT
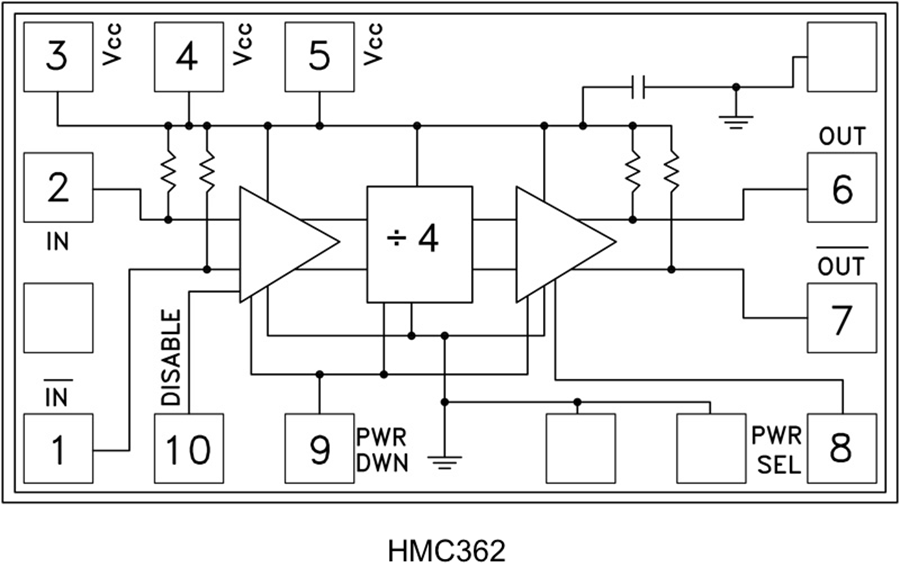
电路图、引脚图和封装图
应用案例
是否有一种最佳的方法来进行封装内的Die测试以减少测试时间
2022-10-27
西门子推出Tessent Multi-die软件解决方案 满足多维设计的需求
2022-10-25
HMC-ALH140-DIE 低噪声放大器芯片,24 - 40 GHz 优势性能
2021-11-29
HMC-ALH445-DIE 低噪声放大器芯片,18 - 40 GHz 产品详情
2021-11-29
HMC-ALH444 产品详情浅谈
2021-11-29
三轴MEMS加速度计ADXL362的主要特性及应用方案分析
2021-03-30
运动控制核芯片HMC8043A、HMC8045A性能特点及适用领域
2021-03-09
新思科技全新40G UCIe IP解决方案助力Multi-Die设计
2025-02-18

