HMC347ALP3E
GaAs MMIC SPDT非反射式开关,DC - 14 GHz
制造商:ADI/AD
产品信息
优势和特点
高隔离度:
>54 dB,最高为3 GHz
>44 dB,最高为10 GHz
低插入损耗:1.8 dB(10 GHz时)
非反射设计
3x3 mm QFN SMT封装
产品详情
HMC347ALP3E是一款宽带高隔离度非反射GaAs pHEMT SPDT开关,采用低成本无引脚QFN塑封表贴封装。该开关频率范围为DC至14 GHz,具有高隔离和低插入损耗。该开关在最高3 GHz频率下提供大于54 dB的隔离,在最高13 GHz频率下提供大于44 dB的隔离。该开关采用-5/0V的互补负控制电压逻辑线路工作,无需偏置电源。
应用
基站基础设施
光纤和宽带电信
微波无线电和VSAT
军用无线电、雷达和ECM
测试仪器仪表
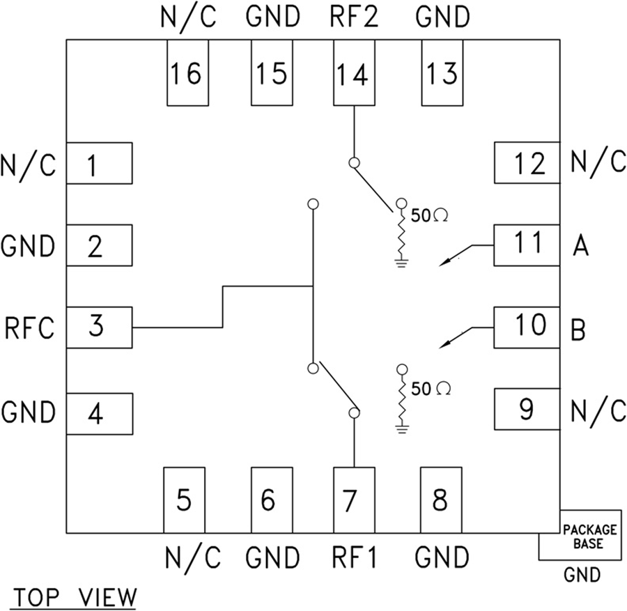
电路图、引脚图和封装图
应用案例
hmc5883l的特点及优点_HMC5883L磁力计校准方法
2017-09-07
ALP200智能低压线路保护器
2024-02-18
HMC649ALP6E 6位数字移相器芯片和采用SMT封装技术手册
2025-04-09
HMC424ALP3ETR数字步进衰减器的特点及应用
2022-10-28
HMC647ALP6E GaAs MMIC 6位数字移相器,2.5-3.1GHz技术手册
2025-04-09
HMC713LP3E对数检波器/控制器的特点及应用范围
2022-10-28
HMC631LP3/631LP3E HBT矢量调制器,采用SMT封装技术手册
2025-04-09
HMC902LP3E低噪声放大器介绍
2022-10-14

