HMC345A
GaAs MMIC SP4T非反射式正控制开关,DC* - 8 GHz
制造商:ADI/AD
产品信息
优势和特点
宽带性能: DC - 8 GHz
高隔离度:35 dB (6 GHz)
低插入损耗:2.2 dB (6 GHz)
集成式正电源2:4 TTL解码器
16引脚3x3mm QFN封装:9 mm²
产品详情
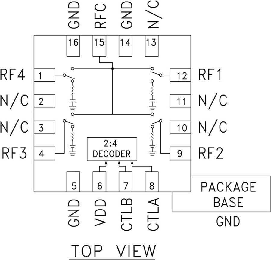
HMC345ALP3E是一款宽带非反射GaAs MESFET SP4T开关,采用低成本无引脚表贴封装。该开关频率范围为DC至8 GHz,具有高隔离和低插入损耗。该开关还集成了板载二进制解码电路,将所需逻辑控制线减至两条。该开关采用0/+5V正控制电压工作,所需固定偏置为+5V。
*端口RFC和RF1、2、3和4需配有隔直电容。它们的值决定最低传输频率。
应用
该开关适用于DC - 8.0 GHz 50 Ω或75 Ω系统:
宽带
光纤产品
开关滤波器组
低于8 GHz的无线应用
电路图、引脚图和封装图
应用案例
adxl345 klipper不识别
2024-01-07
HMC345A GaAs MMIC SP4T非反射式正控制开关,DC-8GHz技术手册
2025-03-07
HMC232A GaAs,SPDT开关,非反射式,100MHz至12GHz技术手册
2025-03-06
基于ADXL345加速度传感器的倾角测量系统设计
2023-12-15
恩智浦MCXA345/A346通用MCU产品介绍
2025-08-13
ADXL345 3 轴数字加速计: 小型、薄片式、低功耗移动设备应用的理想选择
2024-12-24
采用砷化镓(GaAs)工艺制造的HMC232A
2023-02-01
HMC907A:高性能GaAs pHEMT MMIC功率放大器详解
2026-01-05

