HMC338LC3B
次谐波混频器,采用SMT封装,24 - 34 GHz
制造商:ADI/AD
产品信息
优势和特点
集成LO放大器: -5 dBm输入
次谐波(x2) LO
DC - 3 GHz带宽IF
符合RoHS标准的3x3 mm SMT封装
单正电源: +4V (31mA)
产品详情
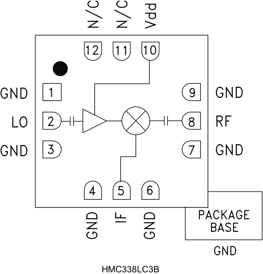
HMC338LC3B是一款集成LO放大器的24 - 34 GHz次谐波(x2) MMIC混频器,采用符合RoHS标准的无引脚SMT封装。 在30 dB时,2LO至RF隔离性能出色,无需额外滤波。 LO放大器采用单偏置(+3V到+4V)设计,需-5 dBm的标称驱动。 RF和LO端口为隔直端口并匹配50 Ω,使用方便,同时IF的工作频率范围为DC至3 GHz。 HMC338LC3B无需线焊,可以使用表贴制造技术。
应用
点对点无线电
点对多点无线电和VSAT
测试设备和传感器
军用最终用途
SATCOM
电路图、引脚图和封装图
应用案例
探索HMC813LC4B:1 - 20 GHz的成功检测对数视频放大器
2026-01-15
探索HMC442LC3B:17.5 - 25.5 GHz高效功率放大器
2026-01-01
探索HMC451LC3:5 - 20 GHz GaAs PHEMT MMIC中功率放大器
2026-01-01
深入剖析HMC441LC3B:6 - 18 GHz高效GaAs pHEMT MMIC中功率放大器
2026-01-01
自制lm338可调稳压电源设计
2023-08-18
21 - 29 GHz SMT GaAs PHEMT MMIC低噪声放大器HMC341LC3B详解
2025-12-31
HMC448LC3B有源宽带倍频器
2022-09-15
新唐科技M452LC3AE控制器简介
2020-02-17

