HMC322ALP4E
GaAs MMIC SP8T非反射式开关,DC - 8 GHz
制造商:ADI/AD
产品信息
优势和特点
宽带性能: DC - 8.0 GHz
高隔离度: >30 dB@ 6 GHz
低插入损耗: 2.4 dB@ 6 GHz
集成式3:8 TTL解码器
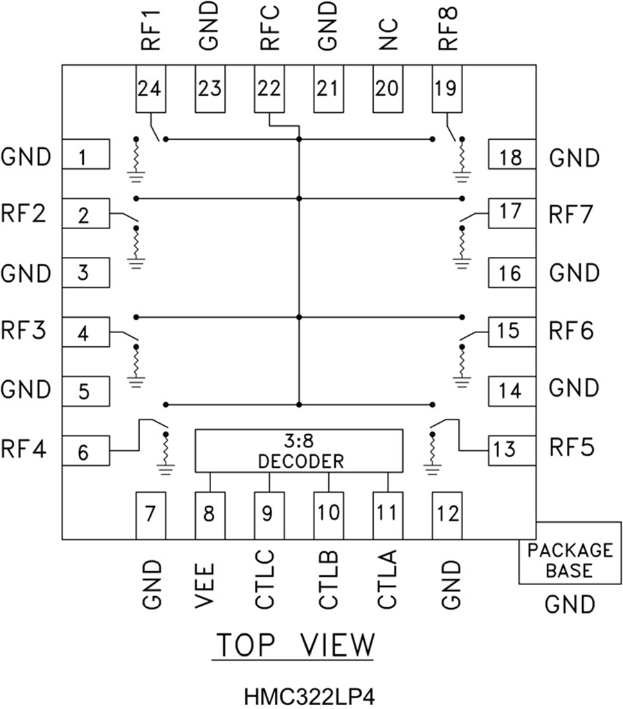
24引脚4x4mm QFN封装:9 mm²
产品详情
HMC322ALP4E是一款宽带非反射GaAs MESFET SP8T开关,采用低成本无引脚表贴封装。 该开关频率范围为DC至8 GHz,具有高隔离和低插入损耗。 该开关还集成了片内二进制解码电路,将所需逻辑控制线减至三条。 该开关采用0/-5V负控制电压工作,所需固定偏置为-5V。 该开关适用于50欧姆或75欧姆系统。
应用
该开关适用于DC - 8.0 GHz 50欧姆或75欧姆系统:
宽带
光纤产品
开关滤波器组
低于8 GHz的无线应用

