HMC265LM3
次谐波混频器,采用SMT封装,20 - 31 GHz
制造商:ADI/AD
产品信息
优势和特点
集成LO放大器: -4 dBm输入
次谐波(x2) LO
高2LO/RF隔离: >28 dB
LM3 SMT封装
产品详情
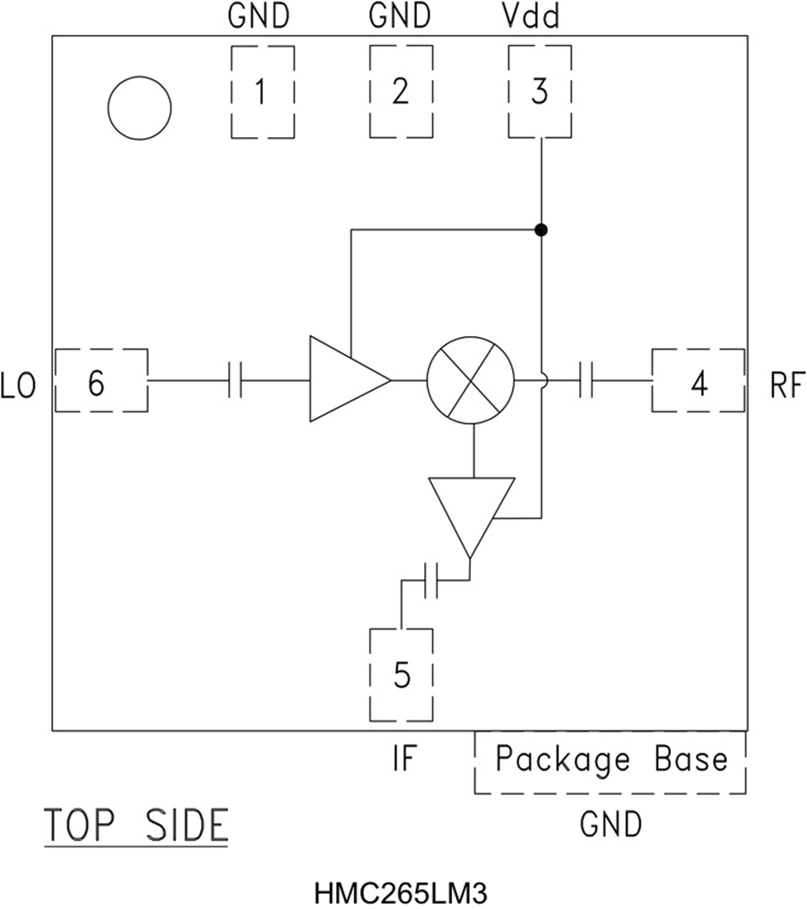
HMC265LM3是一款集成LO和IF放大器的20 - 31 GHz表贴次谐波(x2) MMIC混频器下变频器,采用SMT无引脚芯片载体封装。 在28至47 dB时,2LO至RF和IF隔离性能出色,无需额外滤波。 LO放大器采用单偏置(+3V至+4V)双级设计,仅需-4 dBm的驱动。 所有数据均通过安装在50 Ω测试夹具中的非密封型、环氧树脂密封LM3封装器件获取。 采用HMC265LM3即无需线焊,从而为客户提供一致的接口。
应用
20和31 GHz微波无线电
点对点无线电下变频器
LMDS 和SATCOM
电路图、引脚图和封装图
应用案例
千视新品D260:H.265多接口高清解码器
2023-01-11
千视新品D260:H.265多接口高清解码器
2023-01-11
基于AT91RM9200和HMC1022芯片实现智能交通车辆检测系统的设计
2020-11-01
探索HMC442LM1:一款出色的宽带毫米波功率放大器
2026-01-01
探索HMC441LM1:7 - 15.5 GHz GaAs PHEMT MMIC中功率放大器的卓越性能
2026-01-01
探索 HMC382LP3 / HMC382LP3E:1.7 - 2.2 GHz GaAs P
2026-01-01
探索 HMC376LP3/HMC376LP3E:700 - 1000 MHz 的低噪声放大器
2026-01-01
教您在79元ARM平台实现H.265视频解码
2024-01-11

