HMC265-DIE
次谐波混频器芯片,20 - 32 GHz
制造商:ADI/AD
产品信息
优势和特点
集成LO放大器: -4 dBm输入
次谐波(x2) LO
集成IF放大器: 增益:3 dB
小尺寸: 1.32 x 1.32 x 0.1 mm
产品详情
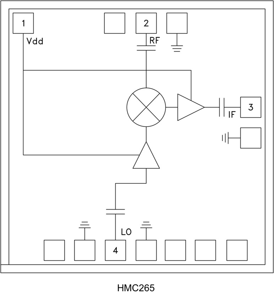
HMC265芯片是一款集成LO和IF放大器的次谐波(x2) MMIC下变频器。 该芯片利用GaAs PHEMT技术,芯片整体面积为1.74 mm²。 2LO至RF隔离性能出色,无需额外滤波。 LO放大器采用单偏置(+3V至+4V)双级设计,仅需-4 dBm的标称驱动。 所有数据均采用50 Ω测试夹具中的芯片测得,该夹具通过直径为0.025 mm (1 mil)、最小长度<0.31 mm (<12 mils)的焊线连接。 此下变频器IC对基于混合型二极管的下变频器MMIC组件是更小、更可靠的极佳替代品。
应用
微波点对点无线电
LMDS
SATCOM
电路图、引脚图和封装图
应用案例
新思科技推出低延迟Die-to-Die控制器,扩大在多裸晶芯片解决方案领域领导地位
2021-06-15
zobovision随谈H.265/HEVC编码FPGA实现(一)
2023-02-27
利用新思科技Multi-Die解决方案加快创新速度
2025-02-25
新思科技全新40G UCIe IP解决方案助力Multi-Die设计
2025-02-18
wafer、die、cell是什么?它们有何关系和区别呢?
2023-12-27
如何轻松搞定高性能Multi-Die系统?
2023-12-20
Multi-Die系统验证很难吗?Multi-Die系统验证的三大挑战
2023-12-13
十六die NAND闪存诞生:单颗容量64GB
2012-04-06

