HMC264LC3B
次谐波混频器,采用SMT封装,21 - 31 GHz
制造商:ADI/AD
产品信息
优势和特点
集成LO放大器:-4至+4 dBm输入
次谐波(x2) LO
高2LO/RF隔离: 30 dB
DC - 6 GHz带宽IF
符合RoHS标准的3x3 mm SMT封装
产品详情
HMC264LC3B是一款集成LO放大器的21 - 31 GHz次谐波(x2) MMIC混频器,采用无引脚“无铅”SMT封装。 在30 dB时,2LO至RF隔离性能出色,无需额外滤波。 LO放大器采用单偏置(+3V至+4V)双级设计,仅需-4至+4 dBm的驱动。 RF和LO端口为隔直端口并匹配50 Ω,使用方便,同时IF的工作频率范围为DC至6 GHz。 HMC264LC3B无需线焊,可以使用表贴制造技术。
应用
点对点无线电
点对多点无线电和VSAT
测试设备和传感器
军用最终用途
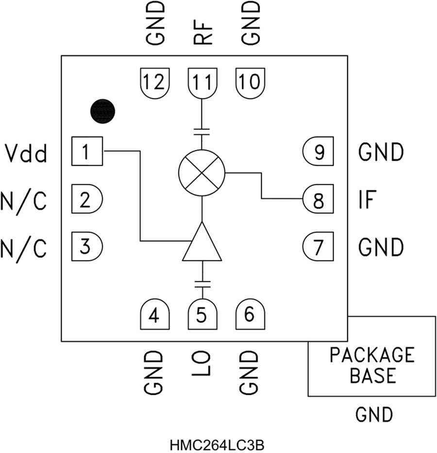
电路图、引脚图和封装图
应用案例
相位正交(I/Q)混频器HMC524ALC3B概述
2023-05-24
HMC553LC3BTR通用双平衡混频器的详情介绍、特点及应用
2023-05-30
11GHz ~ 20GHz HMC554ALC3BTR混频器概述
2023-05-26
谐波泵浦(x2)MMIC混频器HMC264LC3B概述
2023-05-26
HMC904LC5 GaAs MMIC I/Q下混频器技术手册
2025-04-02
HMC570LC5 I/Q接收机,采用SMT封装技术手册
2025-04-02
HMC338LC3B次谐波混频器,采用SMT封装技术手册
2025-04-02
HMC264LM3次谐波混频器,采用SMT封装技术手册
2025-04-01

