HMC1197
集成小数N分频PLL和VCO的宽带直接正交调制器,100 - 4000 MHz
制造商:ADI/AD
产品信息
优势和特点
极低本底噪声: -160 dBm/Hz
出色的载波和边带抑制
极高线性度,+30 dBm OIP3
高输出功率, +10.5 dBm Output P1dB
高调制精度
鉴相器最高速率:100 MHz
低相位噪声:-110 dBc/Hz in Band Typical
PLL FOM:-230 dBc/Hz整数模式-227 dBc/Hz小数模式
160 fs集成RMS抖动(10 kHz至20 MHz)
差分辅助LO输出
外部LO输入
精确频率模式: 0 Hz小数频率误差
可编程RF输出相位
输出相位同步频率变化
输出相位同步
内部LO静音功能
48引脚7x7 mm QFN封装:49 mm²
产品详情
HMC1197是一款集成小数N分频PLL和VCO RFIC的低成本、高线性度直接正交调制器,非常适合0.1至4.0 GHz的数字调制应用,包括:蜂窝/3G、LTE/WiMAX/4G、宽带无线接入和ISM电路。HMC1197 RFIC采用紧凑型7x7 mm (LP7) SMT QFN封装,只需极少的外部元件,为更复杂的双上变频架构提供为更复杂的双上变频架构提供了一种低成本替代解决方案。 RF输出端口为单端型并匹配至50 Ohms,无需外部元件。
HMC1197利用辅助LO输出(差分或单端)向多个目的地分配相同的频率和相位信号。 各增益设置可实现针对各输出的最佳信号电平。
HMC1197利用外部VCO输入锁定外部VCO并针对MIMO无线电应用提供级联LO架构。 两个独立的电荷泵(CP)输出可实现独立的环路滤波器,针对集成和外部VCO进行优化,并实现操作过程中集成或外部VCO之间的无缝切换。 可编程RF输出相位特性可进一步调整并同步多个HMC1197相位,从而实现可扩展MIMO和波束成形无线电架构。
调制器LO输入上集成的可编程低通滤波器(LPF)可确保LO谐波对调制器边带抑制性能的贡献为零。 十六个可编程LPF频段可实现真正的宽带操作,无需外部频段特定谐波滤波硬件。
其它功能包括可配置LO输出静音功能。 HMC1197利用精确频率模式可产生频率误差为0 Hz的小数频率并同步频率变化,无需改变输出信号的相位。
应用
多频段/多标准蜂窝BTS分集发射机
固定无线或WLL
ISM收发器,900和2400 MHz
GMSK, QPSK, QAM, SSB 调制器
多频段基站和中继器
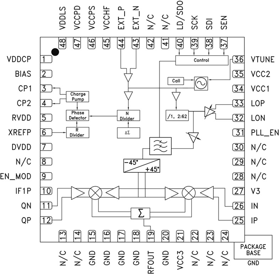
电路图、引脚图和封装图
应用案例
新型互联网生态研究的关键定义
2019-02-26
HMC-ALH369低噪音放大器
2022-04-19
探索HMC656LP2E - HMC658LP2E宽频固定衰减器家族
2026-03-04
HMC642A/HMC642LC5 6位数字移相器芯片和采用SMT封装技术手册
2025-04-09
探索 HMC376LP3/HMC376LP3E:700 - 1000 MHz 的低噪声放大器
2026-01-01
2018-2019新型互联网生态研究报告摘要
2019-02-25
探索HMC374/HMC374E低噪声放大器:高性能与紧凑设计的完美结合
2026-01-01
TDK多层低通滤波器DEA165850LT - 1197B2的详细解析
2026-01-01

