HMC1190A
集成小数N分频PLL和VCO的宽带高IP3双通道下变频器,0.7 - 3.8 GHz
制造商:ADI/AD
产品信息
优势和特点
宽带操作,无需外部匹配
高端和低端LO注入操作
高输入IP3:+24 dBm
功率转换增益:8.9 dB
输入P1dB:11 dBm
SSB噪声系数:9 dB
通道间隔离:55 dBc
独立使能/禁用混频器和PLL/VCO
单端RF输入端口
鉴相器最高速率: 100 MHz
低相位噪声: -110 dBc/Hz(频段典型值)
PLL FOM: -230 dBc/Hz整数模式, -227 dBc/Hz 小数模式
<160 fs集成RMS抖动(10 kHz至20 MHz)
低噪底: -165 dBc/Hz
混频器低噪底: -161 dBc/Hz
集成VCO
外部VC输入,差分LO输出
精确频率模式
0 Hz小数频率误差
可编程RF输出相位
输出相位同步频率变化
输出相位同步
LO输出静音功能
紧凑型解决方案,6x6 mm无引脚QFN封装
产品详情
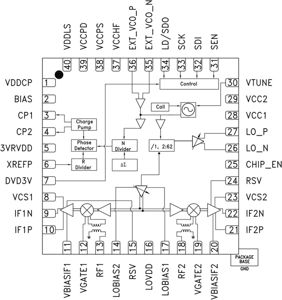
HMC1190ALP6NE是一款集成PLL和VCO的高线性度宽带双通道下变频混频器,针对需要紧凑型、低功耗设计的多标准接收机应用进行优化。 HMC1190ALP6NE集成了宽带限幅LO放大器,可实现前所未有的700 MHz至3800 MHz RF带宽应用,包括蜂窝/3G、LTE/WiMAX/4G。 与传统的窄带下变频器不同,HMC1190ALP6NE在所有RF频率范围同时支持高端和低端LO注入。 RF和LO输入端口内部匹配50 Ω。
HMC1190A集成了LO和RF巴伦、具有使能控制功能的IF和LO放大器伦以及具有偏置控制接口的高线性无源混频器内核。 平衡无源混频器结合高线性度IF放大器架构,提供出色的LO至RF、LO至IF和RF至IF隔离性能。 HMC1190A具有9 dB低噪声系数和+24 dBm高IIP3,适合最严苛的应用。 利用外部偏置控制引脚,可优化低至2.34 W(典型值)的功耗。 快速使能控制接口可进一步降低TDD应用功耗。
HMC1190A利用外部VCO输入锁定外部VCO并针对MIMO应用提供级联LO架构。 两个独立的电荷泵(CP)输出可实现独立的环路滤波器,针对集成和外部VCO进行优化,并实现操作过程中集成或外部VCO之间的无缝切换。 可编程RF输出相位特性可进一步调整并同步多个HMC1190A相位,从而实现可扩展MIMO和波束成形无线电架构。
其它功能包括可配置LO输出静音功能和精确频率模式,HMC1190A利用该模式可产生频率误差为0 Hz的小数频率并同步频率变化,无需改变输出信号的相位,从而提高数字预失真环路的效率。 HMC1190A采用符合RoHS标准的6x6 mm QFN无引脚封装。
应用
多频段/多标准蜂窝BTS分集接收机
GSM、3G和LTE/WiMAX/4G
MIMO基础设施接收机
宽带无线电接收机
多频段基站和中继器
电路图、引脚图和封装图
应用案例
探索CC1190:高性能850 - 950 MHz RF前端模块
2026-01-06
高性能毫米波功率放大器HMC994A的深度解析
2026-01-06
探索HMC906A:27.3 - 33.5 GHz的2瓦功率放大器
2026-01-06
HMC998A:DC - 22 GHz的GaAs pHEMT MMIC 2瓦功率放大器
2026-01-05
HMC907A:高性能GaAs pHEMT MMIC功率放大器详解
2026-01-05
HMC-ALH445-DIE 低噪声放大器芯片,18 - 40 GHz 产品详情
2021-11-29
0.01 GHz - 10 GHz MMIC GaAs pHEMT RF增益模块HMC788A:设计与应用详解
2026-01-05
HMC1190ALP6NE集成小数N分频PLL和VCO的宽带高IP3双通道下变频器技术手册
2025-03-28

