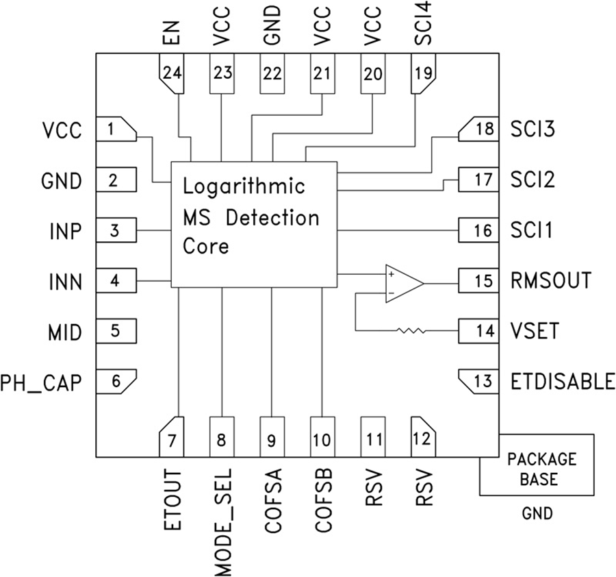
HMC1120
DC - 3.9 GHz RMS功率检波器和包络跟踪器
制造商:ADI/AD
产品信息
优势和特点
宽带单端RF输入
RMS检波器±1 dB检测精度:3.9 GHz
输入动态范围:-60 dBm至+8 dBm
包络检波精度:±1 dB,输入范围超过30 dB
包络检波带宽:> 150 MHz
数字可编程集成带宽
关断模式
24引脚4x4mm SMT封装: 16mm²
包络跟踪关断模式
产品详情
HMC1120是一款集成高带宽包络检波器的RMS功率检波器。 RMS输出为温度补偿式、单调、线性dB表示的RF实信号功率,采用70 dB的输入检测范围测量。 该包络检波器能够提供精确的电压输出,它与调制带宽最高可达150 MHz的RF输入信号的包络幅度成线性比例关系。 HMC1120的高带宽包络检波使其适合检测GSM、WCDMA和LTE系统中常用的宽带和高波峰因数RF信号。 此外,瞬时包络输出可用于实现快速RF过功率保护、PA线性化和增强效率的包络跟踪PA。
HMC1120的RMS检波器集成带宽可通过超过40倍范围的输入引脚SCI1-4进行数字编程。 这样,用户可动态设置工作带宽,还支持在同一平台上进行不同类型的调制检测。
HMC1120的RMS输出级集成了内部运算放大器,提供斜率和截点调整并支持各种应用。
应用
对数–>均方根(RMS)转换
Tx/Rx信号强度指示(TSSI / RSSI)
RF功率放大器效率控制
接收机自动增益控制
发射机功率控制
包络跟踪
PA线性化

