HMC1113
GaAs MMIC I/Q下变频器,10 - 16 GHz
制造商:ADI/AD
产品信息
优势和特点
转换增益:12 dB
镜像抑制:25 dBc
LO至RF隔离:45 dB
噪声系数:1.8 dB
IP3:1 dBm
32引脚5 x 5 mm SMT封装
产品详情
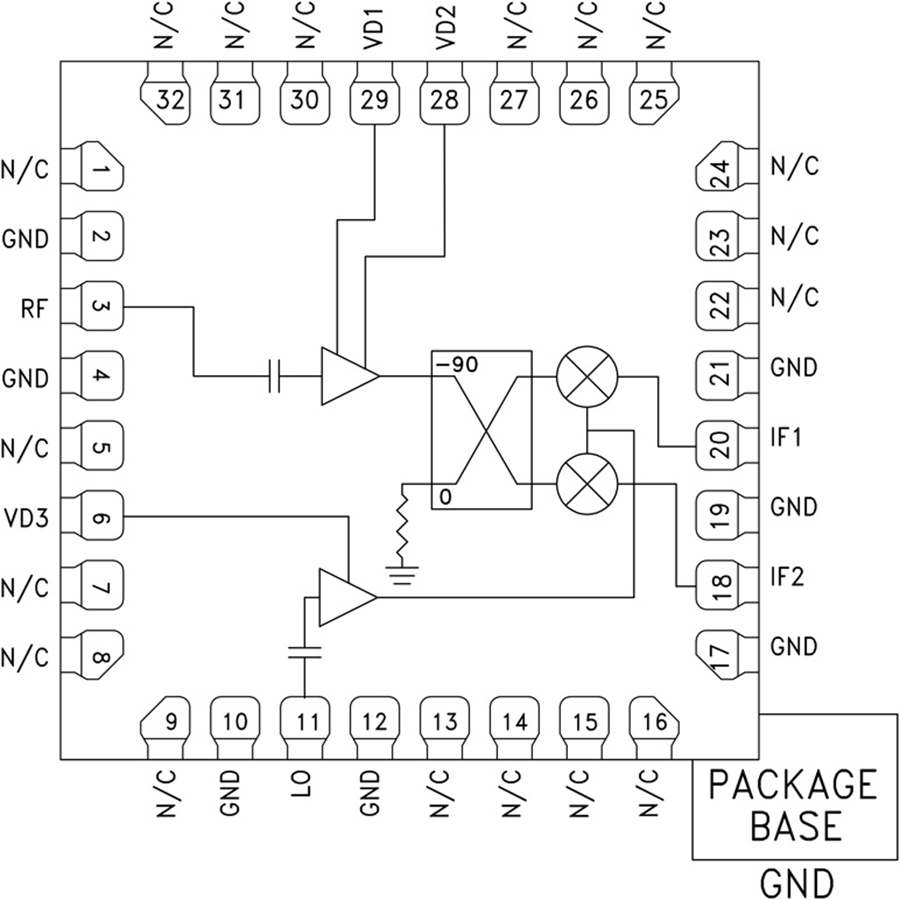
HMC1113LP5E是一款紧凑型GaAs MMIC I/Q下变频器,采用无铅5 x 5 mm低应力注塑塑料表贴封装。 该器件提供12 dB的小信号转换增益、1.8 dB的噪声系数和25 dBc的镜像抑制性能。 HMC1113LP5E采用LNA,后接由LO缓冲器放大器驱动的镜像抑制混频器。 该镜像抑制混频器使得LNA之后无需使用滤波器,并可消除镜像频率下的热噪声。 它具有I/Q混频器输出,所需外部90°混合型器件用于选择所需边带。 HMC1113LP5E为混合型镜像抑制混频器下变频器组件的小型替代器件,它无需线焊,可以使用表贴制造技术。
应用
点对点和点对多点无线电
军用雷达、EW和ELINT
卫星通信
海事和移动无线电

