HMC-MDB218
次谐波I/Q混频器/IRM芯片,54 - 64 GHz
制造商:ADI/AD
产品信息
优势和特点
宽IF带宽: DC - 3 GHz
RF频率: 54至64 GHz
LO频率 27至32 GHz
高镜像抑制: 30 dB
无源;无需直流偏置
裸片尺寸: 1.54 x 1.41 x 0.1 mm
产品详情
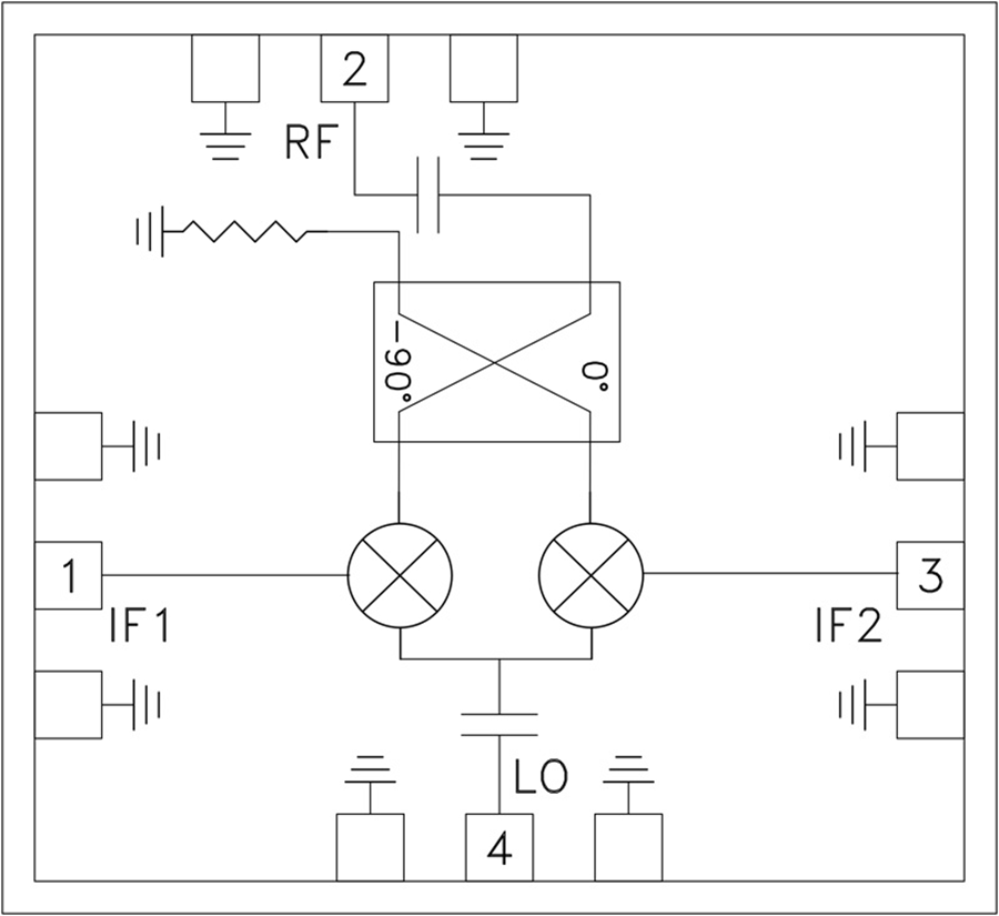
HMC-MDB218是一款次谐波(x2)MMIC混频器,可用作镜像抑制混频器(IRM)或单边带上变频器。 此款无源MMIC混频器采用GaAs异质结双极性晶体管(HBT)肖特基二极管技术制造。 针对下变频应用,外部正交混合器件可用于选择所需边带同时抑制图像信号。
所有焊盘和芯片背面都经过Ti/Au金属化,Shottky器件已完全钝化以实现可靠操作。 HMC-MDB218次谐波IRM可兼容常规的芯片贴装方法,以及热压缩和热超声线焊,非常适合MCM和混合微电路应用。 此处显示的所有数据均是芯片在50 Ohm环境下使用RF探头接触测得。
应用
短程/高容量无线电
卫星通信
军用雷达、ECM和EW
传感器
测试和测量设备

