HMC-MDB172
I/Q混频器/IRM芯片,19 - 33 GHz
制造商:ADI/AD
产品信息
优势和特点
宽IF带宽: DC - 5 GHz
高镜像抑制: 35 dB
LO至RF高隔离: 28 dB
无源: 无需直流偏置
裸片尺寸: 2.2 x 2.0 x 0.1 mm
产品详情
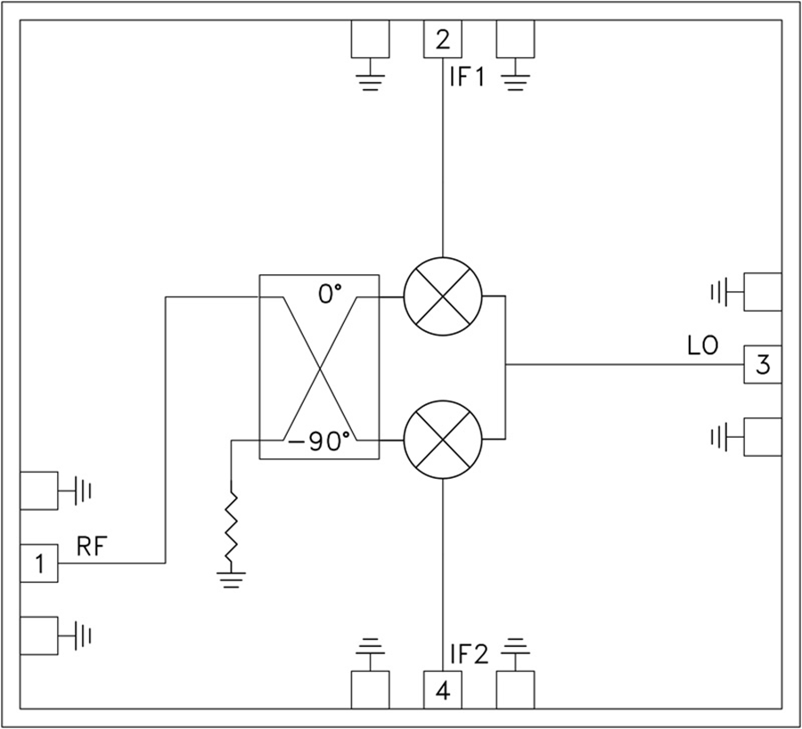
HMC-MDB172是一款单芯片I/Q混频器,可用作镜像抑制混频器(IRM)或单边带上变频器。 此款无源MMIC采用GaAs异质结双极性晶体管(HBT)肖特基二极管技术制造。 针对下变频应用,外部正交混合器件可用于选择所需边带同时抑制图像信号。
所有焊盘和芯片背面都经过Ti/Au金属化,Shottky器件已完全钝化以实现可靠操作。 HMC-MDB172 I/Q MMIC混频器可兼容常规的芯片贴装方法,以及热压缩和热超声线焊,非常适合MCM和混合微电路应用。 此处显示的所有数据均是芯片在50 Ohm环境下使用RF探头接触测得。
应用
点对点无线电
VSAT
军用雷达、ECM和EW
测试和测量设备
卫星通信
电路图、引脚图和封装图
应用案例
国芯思辰|自动化监测设备采用爱普特高性能32位MCU APT32F172K6T6,内置12位15通道高速ADC
2022-10-17
国芯思辰|自动化监测设备采用爱普特高性能32位MCU APT32F172K6T6,内置12位15通道高速ADC
2022-10-17
HMC284AMS8GE非反射开关SMT介绍
2022-11-07
国芯思辰|自动化监测设备采用爱普特高性能32位MCU APT32F172K6T6,内置12位15通道高速ADC
2022-10-17
什么是FMC172 FPGA夹层卡
2022-11-07
国芯思辰|自动化监测设备采用爱普特高性能32位MCU APT32F172K6T6,内置12位15通道高速ADC
2022-10-17
国芯思辰|自动化监测设备采用爱普特高性能32位MCU APT32F172K6T6,内置12位15通道高速ADC
2022-10-17
如何用威佛RS232-MDB适配器在售货机上实现”REMOTE VEND”
2025-12-19

