HMC-MDB171
I/Q混频器/IRM芯片,35 - 45 GHz
制造商:ADI/AD
产品信息
优势和特点
宽IF带宽: DC - 5 GHz
高镜像抑制: 25 dB
LO至RF高隔离
无源: 无需直流偏置
裸片尺寸: 1.5 x 2.0 x 0.1 mm
产品详情
HMC-MDB171是一款单芯片I/Q混频器,可用作镜像抑制混频器(IRM)或单边带上变频器。 此款无源MMIC混频器采用GaAs异质结双极性晶体管(HBT)肖特基二极管技术制造。 针对下变频应用,外部正交混合器件可用于选择所需边带同时抑制图像信号。 所有焊盘和芯片背面都经过Ti/Au金属化。 HMC-MDB171 I/Q MMIC混频器可兼容常规的芯片贴装方法,以及热压缩和热超声线焊,非常适合MCM和混合微电路应用。 此处显示的所有数据均是芯片在50 Ohm环境下使用RF探头接触测得。
应用
点对点无线电
测试和测量设备
卫星通信
传感器
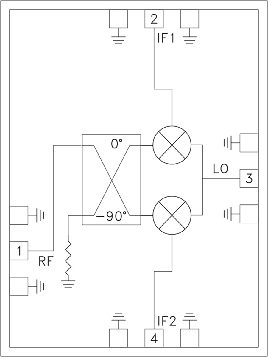
电路图、引脚图和封装图
应用案例
介绍一种MDB转换板 ,能够把MDB设备的付款金额转为脉冲输出
2023-11-23
HMC-MDB277 DBL-BAL混频器芯片技术手册
2025-04-01
HMC-MDB218次谐波I/Q混频器/IRM芯片技术手册
2025-04-01
广和通正式发布5G智能模组SC171L,高效拓展更丰富的智能终端应用
2022-12-07
HMC-MDB172 I/Q混频器/IRM芯片技术手册
2025-04-01
HMC-MDB171 I/Q混频器/IRM芯片技术手册
2025-04-01
MDB-RS232测试NAYAX的VPOS自动售货机刷卡器注意事项
2024-05-09
HMC-MDB169 DBL-BAL混频器芯片技术手册
2025-04-01

