HMC-C055
22.5° 4位数字移相器模块,8 - 12 GHz
制造商:ADI/AD
产品信息
优势和特点
低RMS相位误差:6
低插入损耗: 7 dB
出色的平坦度
360度覆盖,LSB = 22.5
密封模块
可现场更换的SMA插口连接器
产品详情
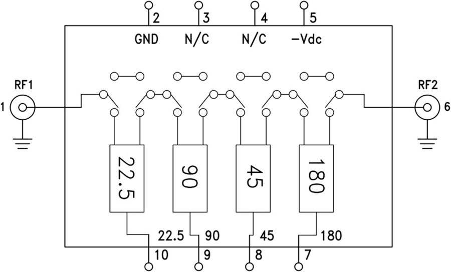
HMC-C055是一款4位数字移相器,额定工作频率范围为8至12 GHz,提供0至360度的单调相位覆盖,具有22.5度的LSB。. HMC-C055 在所有相态具有6度的极低RMS相位误差以及1 dB的低插入损耗变化。 这种高精度移相器需要-5V单直流电压,内部匹配50Ω。 封装采用密封模块,可以利用可现场更换的SMA连接器,或者用作插入式模块。
应用
EW接收器
气象和军用雷达
卫星通信
波束成形模块
电路图、引脚图和封装图
在线购买
型号:HMC-C055
描述:-

