HMC-C047
I/Q混频器模块,30 - 38 GHz
制造商:ADI/AD
产品信息
优势和特点
宽IF带宽: DC - 3.5 GHz
镜像抑制: 15 dB
LO至RF隔离: 35 dB
高输入IP3: 19 dBm
密封模块
可现场更换的SMA连接器
工作温度范围为-55至+85 ℃
产品详情
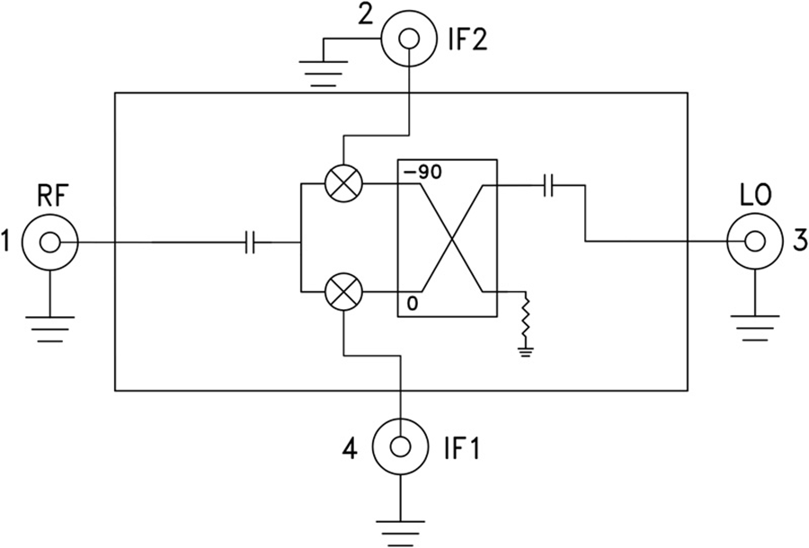
HMC-C047是一款无源I/Q MMIC混频器,封装在微型密封模块中,可用作镜像抑制混频器(IRM)或单边带上变频器。 该模块采用两个标准Hittite双平衡混频器单元和一个90度混合器件,均采用GaAs MESFET工艺制造。
低频正交混合器件用于产生100 MHz上边带(USB)IF输出。 这个基于MMIC的模块可以替代混合型I/Q混频器和单边带变频器组件,而且更加可靠。 该模块带有可移除的SMA连接器,这些连接器可以拆卸,以便将模块I/O引脚直接连接到微带或共面电路。
应用
点对点无线电
点对多点无线电和VSAT
测试设备和传感器
军用最终用途
电路图、引脚图和封装图
在线购买
型号:HMC-C047
描述:-
应用案例
TF-047 微同轴电缆:高密度应用的理想之选
2025-12-11
HMC - C077超低相位噪声放大器模块:设计亮点与应用解析
2025-12-31
Analog Devices Inc. EVAL-HMC8414 评估板特性/方框图
2025-06-08
HMC-ALH369低噪音放大器
2022-04-19
探索HMC - C075:高性能双级功率放大器模块
2025-12-31
HMC284AMS8GE非反射开关SMT介绍
2022-11-07
深入解析SN65LVDS047:高性能LVDS四通道差分线驱动器
2025-12-31
HMC-ALH435 低噪声放大器芯片,5 - 20 GHz 产品性能浅谈
2021-11-29

