HMC-C042
I/Q混频器/IRM模块,8.5 - 13.5 GHz
制造商:ADI/AD
产品信息
优势和特点
宽IF带宽: DC - 2 GHz
镜像抑制: 28 dB
LO至RF隔离: 38 dB
高输入IP3: +25 dBm
密封模块
可现场更换的同轴连接器
工作温度范围为-55至+85℃
产品详情
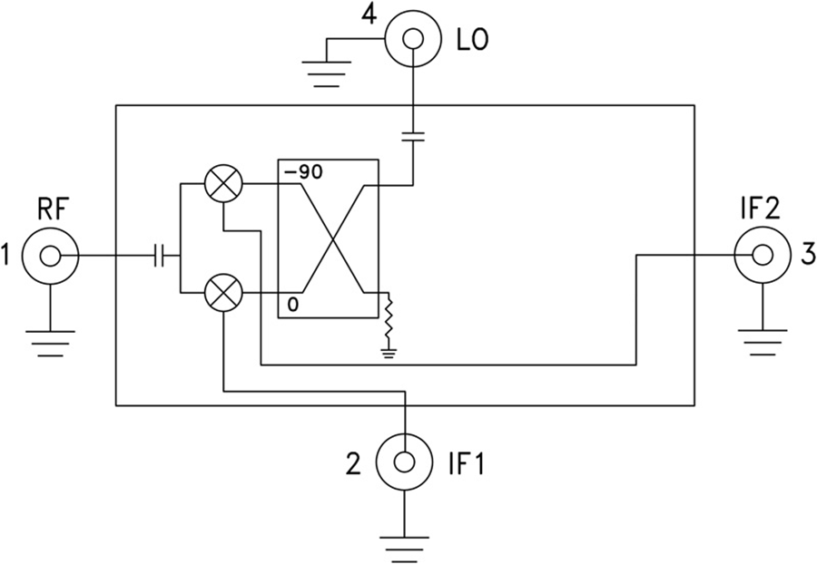
HMC-C042是一款无源I/Q MMIC混频器,封装在微型密封模块中,可用作镜像抑制混频器或单边带上变频器。该模块采用两个标准Hittite双平衡混频器单元和一个90度混合器件,均采用GaAs MESFET工艺制造。
低频正交混合器件用于产生100 MHz USB IF输出。 这个基于MMIC的模块可以替代混合型I/Q混频器和单边带变频器组件,而且更加可靠。 该模块带有可移除的SMA连接器,这些连接器可以拆卸,以便将模块I/O引脚直接连接到微带或共面电路。
应用
点对点无线电
点对多点无线电和VSAT
测试设备和传感器
军用最终用途
电路图、引脚图和封装图
在线购买
型号:HMC-C042
描述:-

