HMC-C040
InGaP HBT 10分频模块,0.5 - 17.0 GHz
制造商:ADI/AD
产品信息
优势和特点
超低SSB相位噪声: -155 dBc/Hz
很宽的带宽
输出功率: -1 dBm
单直流电源: +5V (152mA)
符合RoHS标准的密封
可现场更换的SMA连接器
工作温度范围为-55至+85℃
产品详情
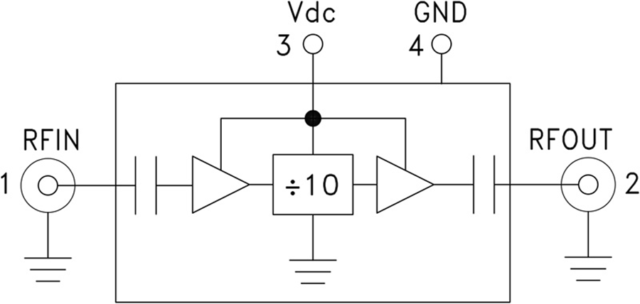
HMC-C040是一款低噪声10分频静态分频器,使用InGaP GaAs HBT技术,封装在微型密封模块中,带有可更换的SMA连接器。 该器件在0.5至17 GHz的输入频率范围内工作,使用单个+5V直流电源。 100 kHz偏置时的低加性SSB相位噪声为-155 dBc/Hz,有助于用户保持良好的系统噪声性能。
应用
点对点/多点无线电
VSAT无线电
光纤产品
测试设备
军事和太空
电路图、引脚图和封装图
在线购买
型号:HMC-C040
描述:-

