HMC-C034
x2有源倍频器模块,32 - 46 GHz Fout
制造商:ADI/AD
产品信息
优势和特点
高输出功率: +13 dBm
低输入功耗驱动: 0至+6 dBm
100 kHz SSB相位噪声: -130 dBc/Hz
Fo隔离>30 dBc(Fout = 38 GHz)
单电源: +5V (70 mA)
密封模块
可现场更换的2.92mm连接器
工作温度范围为-55°至+85°C
产品详情
HMC-C034是一款x2有源宽带倍频器,采用GaAs PHEMT技术,封装在微型密封模块中。 由3 dBm信号驱动时,该倍频器在32至46 GHz范围内提供+13 dBm的典型输出功率。 相对于输出信号电平,Fo隔离 >30 dBc。 这款倍频器具有隔直的I/O,非常适合在点对点和VSAT无线电的LO倍频链中使用,与传统方法相比,可以减少器件数量。 100 kHz偏置时的低加性SSB相位噪声为-130 dBc/Hz,有助于保持良好的系统噪声性能。
应用
时钟生成应用:SOWET OC-192和 SDH STM-64
点对点和VSAT无线电
测试仪器仪表
军事电子战/雷达
太空
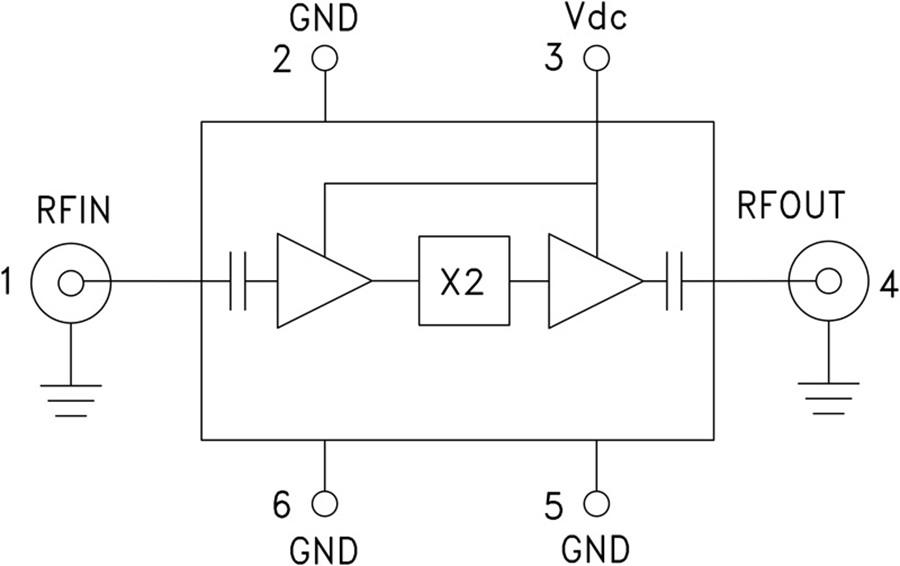
电路图、引脚图和封装图
在线购买
型号:HMC-C034
描述:-
应用案例
HMC804X系列精灵型可编程直流电源的产品特点及应用范围
2020-12-27
Analog Devices Inc. EVAL-HMC8414 评估板特性/方框图
2025-06-08
HMC8015动态升级型功率计的性能特点及应用优势分析
2021-01-29
采用砷化镓(GaAs)工艺制造的HMC232A
2023-02-01
HMC624A是一款6位数字衰减器
2023-01-05
HMC773A通用型双平衡混频器
2022-11-08
HOLTEK新推出HT68RV032/033/034语音OTP MCU
2024-04-15
HMC - C077超低相位噪声放大器模块:设计亮点与应用解析
2025-12-31

