HMC-C019
高隔离度SPDT开关模块,DC - 20 GHz
制造商:ADI/AD
产品信息
优势和特点
高隔离度: 100 dB(最高至4 GHz) 65 dB(最高至20 GHz)
低插入损耗: 3.5 dB (10 GHz) 4.0 dB (16 GHz)
快速切换RF脉冲调制器
非反射式拓扑
密封模块
可现场更换的SMA连接器
工作温度范围为-55至+85℃
产品详情
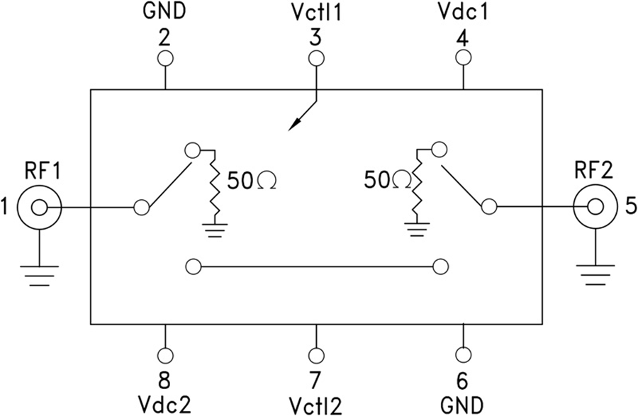
HMC-C019是一款高速、高隔离度的GaAs MESFET SPDT开关,封装在微型密封模块中,带有可现场更换的SMA连接器。 该开关的工作频率范围为直流至20 GHz,在最高4 GHz频率下提供100 dB的隔离,在最高20 GHz频率下提供65 dB的隔离。 CMOS接口允许在很低直流电流条件下提供+5V正向偏置电压。 这款非反射式开关展现了很快的开关速度,具有很低的开关瞬变,这些特性使得它非常适用于高速RF脉冲调制应用。
应用
基站基础设施
光纤和宽带通信
微波无线电和VSAT
军用无线电、雷达和ECM
测试仪器仪表
电路图、引脚图和封装图
在线购买
型号:HMC-C019
描述:-

