FERD20M60
场效应整流器
制造商:
产品信息
This single rectifier is based on a proprietary technology, enabling to achieve the best in class VF/IRtrade-off for a given silicon surface.
Packaged in TO-220AB and I²PAK, this device is intended to be used in rectification and freewheeling operations in switch-mode power supplies.
这种单一的整流器是基于专有技术,能够实现最佳的一流的VF / irtrade了对于一个给定的硅表面。
包装采用TO - 220AB我²白沙,这个装置是用来整流和续流操作的开关模式电源。
Key Features
ST proprietary process
Stable leakage current over reverse voltage
Low forward voltage drop
High frequency operation
主要特点
专有工艺
反向电压稳定的漏电流
低正向压降
高频运行
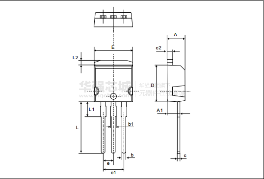
电路图、引脚图和封装图
应用案例
佳能EOS M60预计在明年7月发布,采用3250万像素传感器
2019-11-20
佳能微单相机又更新,EOS M60或用DIGIC 9图像处理器
2019-11-20
中控智慧科技门禁发卡器CR20M简介
2019-12-03
60W超薄塑料导轨电源 LI60-20BxxPU系列
2023-09-19
高精度GNSS定位定向模组M20D实现无人配送车导航定位的原理
2023-09-12
瑞森半导体超小内阻20mΩ和TO-220F封装70mΩ的超结MOS新品上市
2023-08-08
探索XENSIV™ 60 GHz雷达参考板REF_BGT60LTR11AIP_M0:从原理到
2025-12-20
瑞森半导体超小内阻20mΩ和TO-220F封装70mΩ的超结MOS新品上市
2023-08-08






