ESDU5V0H4
四通道5V,ESD静电保护器。
制造商:
产品信息
设计用于保护电压敏感电子元件不受静电放电和其他瞬变的影响。具有优良的夹紧能力、低泄漏、低电容和快速响应时间,对于暴露于静电的设计提供了最佳的等级保护。体积小、电容低、ESD保护等级高,是HDMI、显示端口TM、MDDI接口等应用的灵活解决方案。适用于手机、笔记本电脑、PAD、STB、液晶电视等消费设备的多片式变阻器(MLV)的更换。
优势特点
四通道单向ESD保护
低电容:0.8 pf(max)
低反向电压_关断电压:5V
反向箝位电压低
低漏电流
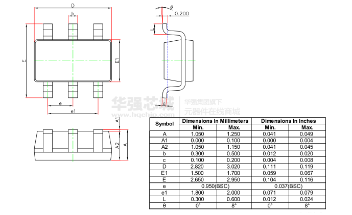
优质包装:2.92mm×1.60mm×1.10mm
快速响应时间
JESD22-A114-B ESD等级3B级人体模型
iec61000 -4-2四级静电保护
规格参数

在线购买
型号:ESDU5V0H4
描述:-
应用案例
PESD5V0U1UB 上二极管厂家 东沃电子
2022-11-04
国产6路高速信号保护同款PESD5V0L6UAS PESD5V0L6US
2022-06-02
国产6路高速信号保护同款PESD5V0L6UAS PESD5V0L6US
2022-06-02
国产6路高速信号保护同款PESD5V0L6UAS PESD5V0L6US
2022-06-02
ESD静电保护芯片 PRTR5V0U2X
2022-08-27
PESD5V0V1BB 双向TVS管 120W 5V SOD-523
2022-08-09
常用的4通道5通道 ESD产品
2022-06-09
PESD5V0U1UB 上二极管厂家 东沃电子
2022-11-04




