EMI4184
EMI Common Mode Filter with ESD Protection
制造商:ON
产品信息
EMI4184
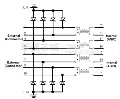
Highly Integrated Common Mode Filter (CMF) with ESD Protection
Large Differential Mode Bandwidth with Cutoff Frequency > 2 GHz
High Common Mode Stop Band Attenuation: >25 dB at 700 MHz,
>30
MIPI D-PHY (CSI-2, DSI, etc)
规格参数




