CAT25512YI-GT3
CAT25512是一个512 KB的CMOS串行EEPROM器件内部组织为64Kx8位。
制造商:
产品信息
特点
20MHz的SPI兼容
2.5 V ( 1.8 V)至5.5 V电源电压范围
SPI模式( 0,0 ) & ( 1,1)
128字节页写缓冲
附加标识页面与永久写保护
自定时写周期
硬件和软件保护
块写保护
−保护1/4,1/2或者整个EEPROM阵列
低功耗CMOS技术
百万编程/擦除周期
百年数据保留
工业级和扩展级温度范围
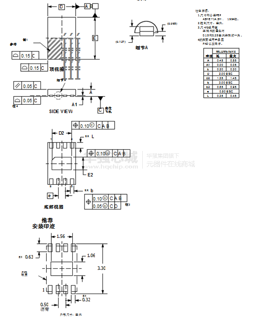
PDIP , SOIC , TSSOP 8引脚和UDFN 8焊盘封装
该器件是无铅,无卤素/无溴化阻燃剂,并符合RoHS
柔顺






