BLUENRG
蓝牙低能耗无线网络处理器®
制造商:
产品信息
Key Features
Bluetooth specification v4.0 compliant master and slave single-mode Bluetooth low energy network processor
Embedded Bluetooth low energy protocol stack: GAP, GATT, SM, L2CAP, LL, RF-PHY
Bluetooth low energy profiles provided separately
Operating supply voltage: from 2.0 to 3.6 V
8.2 mA maximum TX current (@0 dBm, 3.0 V)
Down to 1.7 µA current consumption with active BLE stack
Integrated linear regulator and DC-DC step-down converter
Up to +8 dBm available output power (at antenna connector)
Excellent RF link budget (up to 96 dB)
Accurate RSSI to allow power control
Proprietary application controller interface (ACI), SPI based, allows interfacing with an external host application microcontroller
Full link controller and host security
High performance, ultra-low power Cortex-M0 32-bit based architecture core
On-chip non-volatile Flash memory
AES security co-processor
Low power modes
16 or 32 MHz crystal oscillator
12 MHz ring oscillator
32 kHz crystal oscillator
32 kHz ring oscillator
Compliant with the following radio frequency regulations: ETSI EN 300 328, EN 300 440, FCC CFR47 Part 15, ARIB STD-T66
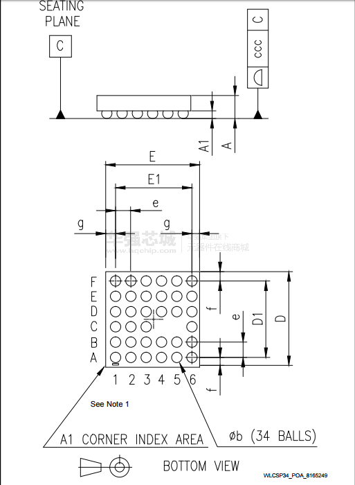
Available in QFN32 (5 x 5 mm) and WLCSP34 (2.66 x 2.56 mm) packages
Operating temperature range: -40 °C to 85 °C
主要特点
蓝牙规范V4.0兼容的主从单模低功耗蓝牙网络处理器
嵌入式低功耗蓝牙协议栈:差距,关贸总协定、SM、L2CAP、LL、rf-phy
蓝牙低能量配置文件单独提供
操作电源电压:从2到3.6伏
8.2 mA最大TX电流(@ 0 dBm时,3 V)
到1.7µ与活跃的BLE堆栈的电流消耗
集成线性稳压器和DC-DC降压转换器
高达8 dBm的输出功率(在天线连接器)
出色的射频链路预算(高达96分贝)
允许功率控制准确的RSSI
专有的应用程序接口(ACI),基于SPI的,允许外部主机应用的微控制器接口
全链路控制器和主机安全
高性能、超低功耗的Cortex-M0 32位架构的核心
片上非挥发性快闪记忆体
AES安全协处理器
低功率模式
16或32兆赫晶体振荡器
12兆赫环形振荡器
32千赫晶体振荡器
32千赫环形振荡器
符合下列规定:300射频ETSI EN 328,EN 300 440,FCC cfr47部分15、ARIB std-t66
可在qfn32(5 x 5毫米)和wlcsp34(2.66×2.56毫米)封装
工作温度范围:- 40°为85°
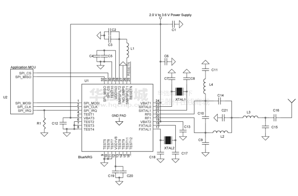
电路图、引脚图和封装图
技术资料
应用案例
找方案 | 基于ST 意法半导体BLUENRG-M2SP的智能插头解决方案
2022-11-03
博文 | ST意法半导体最新一代低功耗蓝牙芯片BlueNRG-LPS
2022-09-07
找方案 | 基于ST 意法半导体BLUENRG-M2SP的智能插头解决方案
2022-10-30
博文 | ST意法半导体最新一代低功耗蓝牙芯片BlueNRG-LPS
2022-09-06
意法半导体推出BlueNRG-2开发工具 提高蓝牙5.0性能和效率
2020-06-23
找方案 | 基于ST 意法半导体BLUENRG-M2SP的智能插头解决方案
2022-10-30
博文 | ST意法半导体最新一代低功耗蓝牙芯片BlueNRG-LPS
2022-09-06
找方案 | 基于ST 意法半导体BLUENRG-M2SP的智能插头解决方案
2022-10-30




