BQ7692006PW
电池管理 Li-Ion, Li-Phosphate Battery Moniter
制造商:
产品信息
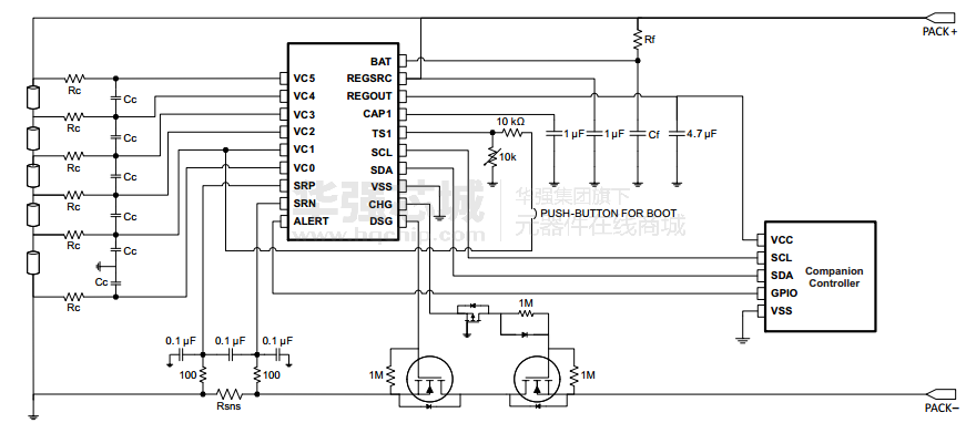
强大的模拟前端(AFE)bq769x0家庭设备作为一个完整的包的监控和保护解决方案的下一代,大功率系统的一部分,如轻型电动车、电动工具、和不间断电源。的bq769x0是低功耗设计:在IC的子块可以启用/禁用控制整个芯片的电流消耗,和船舶的模式提供了一种简单的方式把包装成一个超低功耗状态。
特点:
安全监控功能
纯数字接口
–内部ADC测量电池电压,模具温度,和外部热敏电阻
–分开,内部ADC措施组电流(库仑计数器)
–直接支持多达三个热敏电阻(103AT)
硬件保护功能
–电流放电(OCD)
–短路放电(SCD)
–过压(OV)
–欠压(UV)
二级保护器故障检测
•附加功能
–集成电池平衡FET
–充、放电低侧N沟道FET驱动器
报警中断到主机微控制器
–2.5-V或3.3V输出电压调节器
–没有EEPROM编程必备
高电源电压ABS最大(高达108 V)
–I2C兼容接口简单™(CRC选项)
随机细胞连接耐受性


